STMicroelectronics STEVAL-MKI236A 2xASM330LHB Adapterboard
Das STEVAL-MKI236A 2xASM330LHB Adapterboard von STMicroelectronics wurde entwickelt, um die Evaluierung von MEMS-Bauteilen der ASM330LHB-Produktfamilie zu erleichtern. Dieser Adapter enthält die komplette Pinbelegung des ASM330LHB und die gebrauchsfertigen Entkopplungskondensatoren an den Versorgungsleitungen VDD und VDDIO. Das STEVAL-MKI236A Board kann in einen Standard-DIL-24-Sockel eingesteckt werden und bietet eine effiziente Lösung für schnelles System-Prototyping und Geräteevaluierung. Dieses Adapterboard wird von der STEVAL-MKI109V3 Motherboard unterstützt, die einen leistungsstarken 32-Bit-Mikrocontroller enthält, der als Brücke zwischen dem Sensor und einem PC fungiert. Typische Applikationen sind satellitengenaue Positionierung, ADAS-Systeme, aktive Federung, Radar-, Lidar- und Digitalkamera-Stabilisierung sowie bewegungsaktivierte Funktionen.Merkmale
- Vollständige Pinbelegung des ASM330LHB für einen Standard-DIL-24-Sockel
- Bietet eine effiziente Lösung für schnelles Systemprototyping und Geräteevaluierung
- Vollständig kompatibel mit dem STEVAL-MKI109V3 Motherboard
- RoHs-konform
Applikationen
- Satellitenpräzise Positionierung
- FAS-Systeme
- Aktive Federung
- Digitale Stabilisierung, sowie Radar- und Lidarstabilisierung von Kameras
- Bewegungsaktivierte Funktionen
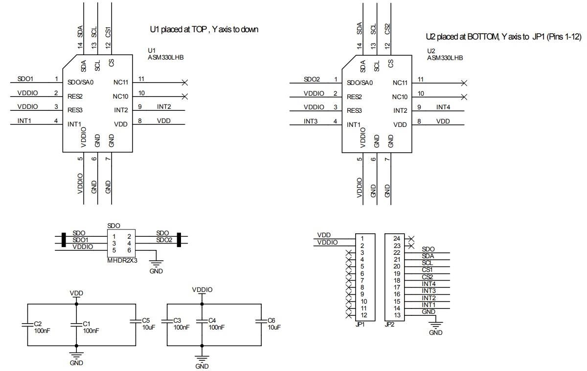
Stromkreis-Schema
Veröffentlichungsdatum: 2023-04-26
| Aktualisiert: 2023-05-03
