Vishay Semiconductors TSSP770 Infrarot-Empfänger
Der TSSP770 Infrarot-Empfänger (IR) von Vishay Semiconductors ist ein kompaktes Modul für reflektierende Sensoren, Lichtschranken und schnelle Näherungsapplikationen. Vishay ist der weltweit führende Anbieter von IR-Empfängern für die Fernsteuerung. Gleichzeitig bietet Vishay aber auch eine gesamte Produktgruppe, die auf die Präsenzerkennung mit reflektierendem oder unterbrechendem Modus ausgerichtet ist. Beispielsweise verwenden Papierhandtuchspender einen Infrarotstrahler und -empfänger, um die Anwesenheit Ihrer Hand zu erkennen. Die Sicherheitsschalter für Garagentore verfügen über einen Infrarotstrahler, der auf einen Empfänger ausgerichtet ist, um einen Strahl zu erzeugen, der wenn er unterbrochen wird, das Garagentor stoppt. Die IR-Empfänger für Präsenzerkennung (TSSPx) verfügen über eine feste Gain, während die Fernsteuerungsempfänger (TSOPx) eine sich automatisch anpassbare Gain bieten. Eine feste Gain ist in der Regel für Sensorapplikationen erforderlich.Die meisten TSSPx Empfänger verfügen über einen Betriebs- und Lagertemperaturbereich von -25 °C bis 85 °C. Außerdem sind Empfänger mit erweiterter Temperatur verfügbar, z. B. der TSSP77438ETT1, bei dem E anzeigt, dass er bei einer Temperatur von -40 °C bis +110 °C gelagert und über einen Temperaturbereich von -30 °C bis +85 °C betrieben werden kann.
Merkmale
- Bis zu 2 m für Präsenz- und Näherungserkennung
- Nutzt modulierte Bursts von Infrarotlicht
- PIN-Dioden-und Sensor-IC in einem Gehäuse
- Niedriger Versorgungsstrom
- Schutz gegen EMI
- Sichtbares Licht wird durch den IR-Filter unterdrückt
- Unempfindlich gegenüber Versorgungsspannungswelligkeit und Rauschen
- Versorgungsspannungsbereich: 2,5 V bis 5,5 V
Applikationen
- Reflektierende Sensoren für Handtrockner, Handtuch- oder Seifenspender, Wasserhähne, Toilettenspülung
- Fallerkennung in Warenautomaten
- Sicherheits- und Türschutzgitter für Haustiere
- Personen- oder Objekterkennungs-Aktivierung
- Schnelle Näherungssensoren für Spielzeug, Robotik, Drohnen und weitere Unterhaltungselektronik- und Industrieapplikationen
Weitere Ressourcen
Blockdiagramm
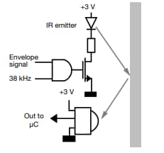
Präsenzerkennung
Leistungsdiagramm
Veröffentlichungsdatum: 2021-03-16
| Aktualisiert: 2022-03-11
