Texas Instruments DK-LM3S-DRV8312 Motorsteuerungskit für Stellaris® Mikrocontroller
Texas Instruments DK-LM3S-DRV8312 Motorsteuerungskit für Stellaris® Mikrocontroller

Produktliste anzeigen

Weitere Ressourcen

TI DK-LM3S-DRV8312 Motorsteuerungskit
für Stellaris® Mikrocontroller

Das Texas Instruments DK-LM3S-DRV8312 Motorsteuerungskit für Stellaris® Mikrocontroller ist eine Entwicklungsplattform für den Antrieb von 3-Phasen kommutatorlosen DC- und AC-Motoren. Das TI DK-LM3S-DRV8312 Motorsteuerungskit enthält ein kostengünstiges Stellaris LM3S818 MCU-basiertes Kontrollkarten-Modul, das mit anderen TI Motorsteuerungsplattformen kompatibel ist. Zusätzlich zum sofortigen Antrieb eines Motors, bietet das TI DK-LM3S-DRV8312 Motorsteuerungskit einen operativen Vorteil durch die InstaSPN BLDC Motorsteuerungslösung, die eine vereinfachte Abstimmung, sofortige Anpassung an die Beschleunigung, einen zuverlässigen Betrieb bei niedriger Geschwindigkeit und mehr ermöglicht. Die integrierte Fadenkreuzlösung ermöglicht dem Nutzer die gesamte Lösung mit einer benutzerfreundlichen PC-Anwendung, die auf andere Endanwendungen ausgedehnt werden kann, zu steuern und zu überwachen.


Kit-Lieferumfang
  • MDL-LM3S818CNCD Kontrollkartenmodul (controlCARD)
    • Stellaris 50MHz ARM® Cortex®-M3 LM3S818 Mikrocontroller mit integrierter Stellaris ICDI-Schnittstelle (In-Circuit Debug Interface)
    • Einsteckbarer 100-poliger DIMM-Formfaktor
    • Die automatische Isolierung wird bei der Debug-Verbindung aktiviert.
  • DRV8312 Basisplatine (TI-integrierte 3P-Motortreiberplatine, die bis zu 52,5V und 6,5A unterstützt)
  • NEMA17 BLDC/PMSM 55W Motor
  • 24V 2,5A DC-Netzadapter, 110-240V AC-Eingang, USA Stromkabel
  • USB-miniB bis USB-A Stromkabel (für Debug- und serielle Kommunikation)
  • Kit CD:
    • Vollständige Dokumentation
    • LM Flash-Programmiergerät für Firmware-Aktualisierungen
    • Fadenkreuz GUI
    • Anzuwendender Quellcode
    • Schematik
  • TI Code Composer Studio™ Integrierte Entwicklungsumgebung (IDE)

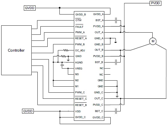
DRV8312 Anwendungsdiagramm

DRV8312 Anwendungsdiagramm

LM3S818 Blockdiagramm

LM3S818 Blockdiagramm
  • Texas Instruments
  • Industrial
  • Development Tools
Veröffentlichungsdatum: 2017-05-26 | Aktualisiert: 2017-05-26