Texas Instruments TPS23881B PSE-Controller mit autonomen Modus
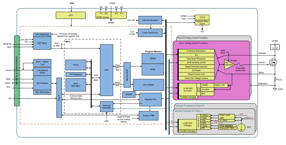
Texas Instruments TPS23881B PSE-Controller (Power Sourcing Equipment) mit autonomem Modus ist ausgelegt, um Strom in Ethernet-Kabel gemäß dem IEEE 802.3bt Standard einzuspeisen. Dieser Controller umfasst acht unabhängige Stromkanäle, die als Kombination von 2-paarigen (1-Kanal) oder 4-paarigen (2-Kanal) Power over Ethernet (PoE) Ports konfiguriert werden können. Der TPS23881B PSE-Controller bietet SRAM-Programmierbarkeit, programmierbare Leistungsbegrenzung, 200 mΩ Strommesswiderstand und schnellen 1-Bit- oder 3-Bit-Port-Abschaltungseingang. Dieser PSE-Controller bietet flexible, prozessorgesteuerte Betriebsmodi, darunter die Modi Auto, Halbautomatik und Manuell/Diagnose.Der TPS23881B Controller ist kompatibel mit der System-Firmware FirmPSE von TI. Der programmierbare SRAM ermöglicht die Aktualisierung der FirmWare vor Ort über I2C, um die Interoperabilität mit PoE-fähigen Geräten und die IEEE-Konformität sicherzustellen. Dieser PSE-Controller kann Powered Devices (PDs) erkennen, die eine vollständige gegenseitige Identifizierung und eine gültige Signatur aufweisen, und sie mit Strom versorgen. Der TPS23881B Controller wird in kleinen Business-Schaltern, Videorecordern und Zweigstellen-Schaltern eingesetzt.
Merkmale
- IEEE 802.3bt PSE-Lösung für Power-over-Ethernet (PoE) 2 Typ 3 oder Typ 4 PoE-Anwendungen
- Programmierbarer SRAM-Speicher
- Acht unabhängige PSE-Kanäle
- 200 mΩ Strommesswiderstand
- Programmierbare Strombegrenzungsgenauigkeit von ±2,5 %
- Widerstand-wählbarer autonomer Betrieb (keine externe MCU erforderlich)
- Auswählbare 2-Paar- oder 4-Paar-Anschluss-Leistungszuweisungen:
- 15,4 W, 30 W, 45 W, 60 W, 75 W, oder 90 W
- Einzel- und Dual-Signatur-PD-Kompatibilität
- Herkömmliche PD Kapazitätsmessung
- Dedizierter 14-Bit-Strom-ADC pro Anschluss
- Störfestigkeit-MPS für DC-Trennung
- 2 % Strommessgenauigkeit
- Flexible prozessorgesteuerte Betriebsarten
- Automatische
- Halbautomatisch
- Manuell/Diagnose
- Einschalt- und einziehender Betriebsstrom-Schutz
- 1- und 3-Bit schneller Anschluss- Abschaltungseingang
- Auto-Class-Discovery und Leistungsmessung
Applikationen
- Videorekorder:
- Netzwerk-Videorekorder (NVRs)
- Digitale Videorekorder (DVRs)
- Schalter für kleine Unternehmen
- Campus- und Zweigstellen-Schalter
Funktionales Blockdiagramm
Vereinfachter Schaltplan
Veröffentlichungsdatum: 2024-07-22
| Aktualisiert: 2024-07-29
