Texas Instruments SN6507/SN6507-Q1 Push-Pull-Transformatortreiber
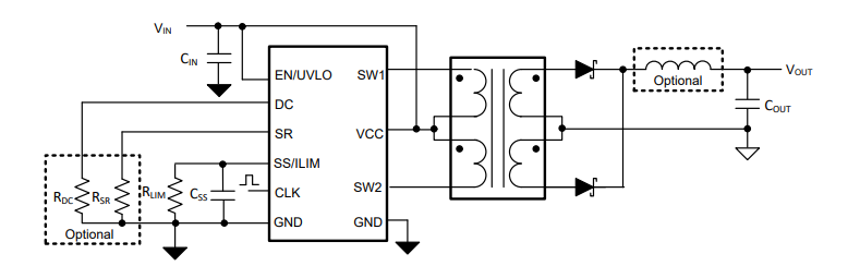
Der SN6507/SN6507-Q1 emmissionsarme 36-V-Push-Pull-Transformatortreiber von Texas Instruments ist ein Hochspannungs-Push-Pull-Transformatortreiber mit hoher Frequenz, der eine isolierte Leistung in einer kleinen Lösungsgröße liefert. Der SN6507/SN6507-Q1 implementiert die Vorteile der Push-Pull-Topologie, einschließlich Einfachheit, niedrige EMI und Flussmittelunterdrückung, um eine Transformatorsättigung zu verhindern. Das Bauteil erzielt durch die Tastverhältnissteuerung, welche die Anzahl der Komponenten für große Eingangsbereiche reduziert, und durch die Auswahl einer hohen Schaltfrequenz, wodurch die Größe des Transformators reduziert wird, weitere Platzeinsparungen.Der SN6507/SN6507-Q1 Push-Pull-Transformatortreiber von TI integriert einen Controller und zwei 0,5-A-NMOS-Leistungsschalter, die phasenverschoben schalten. Der Treiber verfügt über einen programmierbaren Eingangsbetriebsbereich mit präzisen Unterspannungssperren. Zu den Schutzfunktionen auf dem Bauteil gehören Überstromschutz (OCP), einstellbare Unterspannungssperre (UVLO), Überspannungssperre (OVLO), thermische Abschaltung (TSD) und Unterbrechungsschaltung. Darüber hinaus reduziert der programmierbare Soft-Start (SS) Einschaltströme und fördert die Stromversorgungssequenzierung für kritische Einschaltanforderungen. Die Frequenzspreizungstaktung (SSC) und die Pin-konfigurierbare Anstiegsratensteuerung (SRC) reduzieren die abgestrahlten und leitungs
gebundenen Emissionen für extrem niedrige EMI-Anforderungen weiter.
Der SN6507/SN6507-Q1 ist in einem 10-Pin-HVSSOP-DGQ-Gehäuse untergebracht und zeichnet sich durch einen Temperaturbereich von -55 °C bis 125 °C aus. Die SN6507-Q1 Bauteile sind für Fahrzeuganwendungen AEC-Q100-qualifiziert.
Merkmale
- Push-Pull-Treiber für Isoliertransformatoren
- Großer Eingangsspannungsbereich: 3 V bis 36 V
- Eingangsspannungstoleranz: bis zu 60 V
- Tastverhältnissteuerung für Leitungsregelung
- 0,5-A-Schalter mit programmierbarer Strombegrenzung
- Großer Schaltfrequenzbereich: 100 kHz bis 2 MHz
- Kompatibel mit Transformatoren mit kleinem Footprint
- Programmierbare Schaltfrequenz
- Option für externe Taktsynchronisierung
- Rausch- und emmissionsarm
- Symmetrische Push-Pull-Topologie
- Spread-Spectrum-Taktgeber
- Pin-konfigurierbare Anstiegsraten-Steuerung
- Schutzfunktionen
- Einstellbare Unterspannungssperre (UVLO)
- Programmierbarer Überstromschutz (OCP)
- Überspannungssperre (OVLO)
- Thermische Abschaltung (TSD)
- Großer Temperaturbereich: –55 °C bis 125 °C
- Programmierbarer Soft-Start für eine Reduzierung des Einschaltstroms
- 10-Pin-HVSSOP-Gehäuse (DGQ) mit Wärme-Pad
Applikationen
- Solarwechselrichter, Schutzrelais
- Fabrikautomatisierung
- Gebäudeautomatisierung
- Medizinische Instrumente
- Motorantriebe: IGBT- und SiC-Gate-Treiber-Versorgungen
- Isolierte Stromversorgung für CAN, RS-485, RS-422, RS-232, SPI, I2C, LAN mit geringem Stromverbrauch
Datenblätter
Blockdiagramm
Vereinfachter Schaltplan
