Texas Instruments PFCLLCSREVM034 AC-zu-isoliertes-DC-Evaluierungsmodul
Texas Instruments PFCLLCSREVM034 AC-zu-isoliertes-DC-Evaluierungsmodul (EVM) evaluiert die Bauelemente UCC28056B, UCC25604, und UCC24624. Das Evaluierungsmodul ist eine 168-W-AC/DC-Versorgung mit einem Übergangsmodus-Blindleistungskompensation-Frontend und einem isolierten Halbbrücken-LLC-Resonanzwandler mit Synchrongleichrichtung. Das PFCLLCSREVM034 von Texas Instruments akzeptiert einen AC-Eingang von 90 Vrms bis 264 Vrms und gibt 12 VDC mit 168 W Volllast-Ausgangsleistung aus.Merkmale
- Kostengünstige Einzelschicht-PCB
- AC-Eingangsspannung von 90 Vrms bis 264 Vrms
- Geregelter typischer 12 VDC Ausgang
- Volllastleistung von 168 W oder Volllaststrom von 14 A
- Optimierte Stromsparfunktionen ermöglichen eine extrem niedrige Standby-Leistung
- Hoher Wirkungsgrad
- Erweiterter Burst-Modus mit Soft-On und Soft-Off für minimale Geräuschentwicklung
- X-Kondensatorentladung
- Testpunkte zur Vereinfachung der Evaluierung von Bauteilen und Topologien
Erforderliche Ausrüstung
- AC-Spannungsquelle
- Einphasige AC-Ausgangsspannung von 85 bis 265 VAC, 47 bis 63 Hz einstellbar, mit einer minimalen Nennleistung von 100 W und einer Strombegrenzungsfunktion
- Die zu verwendende AC-Spannungsquelle sollte die Anforderungen der IEC 60950 für verstärkte Isolierung erfüllen.
- DC-Digital-Multimeter
- Eine Einheit, die zu einem Eingangsbereich von 0 VDC bis 450 VDC fähig ist, vorzugsweise eine vierstellige Anzeige
- Eine Einheit, die zu einem Eingangsbereich von 0 VDC bis 20 VDC fähig ist, vorzugsweise eine vierstellige Anzeige
- Ausgangslast
- DC-Last, die 0 VDC bis 20 VDC, 0 A bis 14 A und 0 W bis 300 W oder mehr empfangen kann, mit der Fähigkeit, Informationen wie Laststrom und Lastleistung anzuzeigen
- Oszilloskop
- Fähig zu einer vollen Bandbreite von 500 MHz, digital oder analog (falls digital, 5 GS/s oder besser)
- Lüfter
- 200 bis 400 LFM forcierte Luftkühlung wird empfohlen, ist aber nicht erforderlich
- Empfohlene Drahtstärke
- Geeignet für 25 A oder höher als #14 AWG, mit einer Gesamtlänge des Drahtes von weniger als 8 Fuß (243 cm) (Eingang von 4 Fuß (121 cm) und Rücklauf von 4 Fuß (121 cm))
Applikationen
- AC/DC-Industrieadapter
- Elektrowerkzeuge
- Medizinisches Netzteil
- Multifunktionsdrucker
- Projektor für Unternehmen und Kino
- PC-Netzteil
- Spielkonsolen-Netzteil
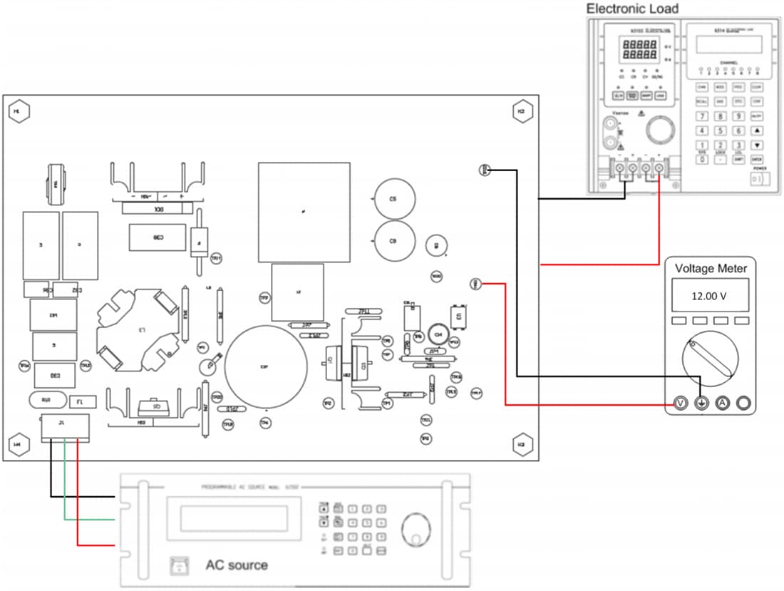
Testeinrichtung
Veröffentlichungsdatum: 2020-08-24
| Aktualisiert: 2024-08-16
