Texas Instruments OPAx310/OPAx310-Q1 Operationsverstärker

Die Operationsverstärker OPAx310/OPAx310-Q1 von Texas Instruments sind Einkanal- (OPA310/OPA310-Q1), Zweikanal- (OPA2310) und Vierkanal-Verstärker (OPA4310) mit einem Niederspannungsbereich von 1,5 V bis 5,5 V. Die Operationsverstärker mit hohem Ausgangsstrom verfügen über Rail-to-Rail-Eingangs- und Ausgangsschwingungsfähigkeiten. Die Verstärker OPAx310/OPAx310-Q1 bieten eine robuste ESD-Leistung mit einer ausfallsicheren Eingangs-ESD-Struktur, bei der keine Dioden von den Eingängen an die positive Stromversorgungsschiene angeschlossen sind. Der OPAx310S bietet ein sehr schnelles Abschaltverhalten und verfügt über eine typische Aktivierungs-/Deaktivierungszeit von 1µs, die Stromeinsparungen ermöglicht, wenn die Applikation die Tastzyklen der Verstärkersignalkette umfasst. Die Operationsverstärker OPAx310/OPAx310-Q1 von TI enthalten eine interne Strombegrenzung und einen Übertemperaturschutz in einem kleinen Standard-Power-Pad-Gehäuse. Dies ermöglicht eine zusätzliche Robustheit bei Betrieb mit hohem Ausgangsstrom. 

Die Operationsverstärker schwingen sehr nahe an den Schienen und verfügen bei einer Stromversorgung von 5,5 V über einen Kurzschlussstrom von mindestens 75 mA über Temperatur. Eine höhere Ausgangsstrombelastbarkeit wird erreicht, indem mehrere Operationsverstärker sorgfältig parallel verbunden werden. Der OPAx310 vereinfacht das Schaltungsdesign mit einem robusten Design und einem integrierten RFI- und EMI-Unterdrückungsfilter ohne Phasenumkehr bei Eingangsübersteuerungsbedingungen. Die Bauteile unterstützen eine hervorragende AC-Leistung mit einer Verstärkungsbandbreite von 3 MHz und können bis zu 250 pF der Kapazitätslast ohne anhaltende Schwingungen ansteuern.

Die Operationsverstärker OPAx310/OPAx310-Q1 eignen sich hervorragend für LED-Treiber, LCD-Treiber, Lasertreiber und TEC-Treiber-Applikationen und können auch als Referenzbuffer, Schutzverstärker oder diskreter LDO verwendet werden.

Merkmale

  • Hoher Ausgangsstrom: ±150 mA (typisch) ISC bei 5,5 V
  • Schnelle Freigabe aus dem Stillstand: 1 µs (typisch) bzw. 0,9 µs (typisch) (OPAx310-Q1)
  • Großer Betriebsversorgungsspannungsbereich: 1,5 V bis 5,5 V
  • Niedrige Eingangs-Offset-Spannung: ±250 µV (typisch)
  • Ausfallsichere Eingänge, keine Diode von den Eingängen bis V+
  • Optimierter Ruhestrom: 165 µA/Kanal (typisch)
  • Rail-to-Rail-Ein-/Ausgang
  • Gain-Bandbreite: 3 MHz bei 5,5 V (typisch)
  • Thermisches Grundrauschen: 16 nV/√Hz (typisch)
  • Verstärkungsfaktor Eins
  • Steuert bis zu 250 pF ohne anhaltende Schwingungen
  • Interne RFI- und EMI-gefilterte Eingangspins
  • Betriebstemperaturbereich: –40 °C bis 125 °C

Applikationen

  • Optische Module
  • Referenzbuffer, Schutzverstärker
  • Mikrofon-Vorverstärker
  • Beleuchtungs- und LED-Treiber
  • Schleifentreiber: 4 mA bis 20 mA
  • Programmierbare Stromquelle
  • Low-Side-Strommessschaltung
  • Applikationen nach AEC-Q100 Klasse 1

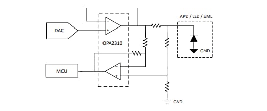
APD/LED/EML-Vorspannung mit Strommessung

Texas Instruments OPAx310/OPAx310-Q1 Operationsverstärker

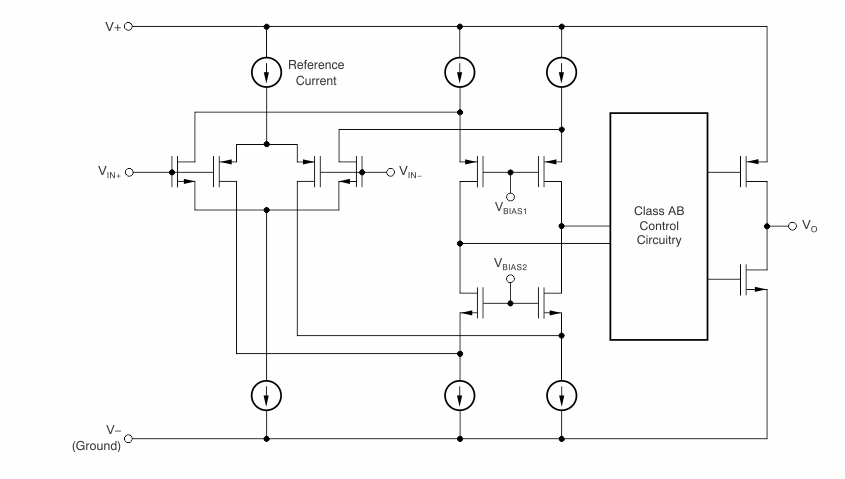
Blockdiagramm

Blockdiagramm - Texas Instruments OPAx310/OPAx310-Q1 Operationsverstärker
Veröffentlichungsdatum: 2022-07-27 | Aktualisiert: 2025-05-15