Texas Instruments OPA2810 Rail-to-Rail I/O FET-Operationsverstärker
Texas Instruments OPA2810 Hochleistungs-Rail-to-Rail-Eingangs-/Ausgangs- Operationsverstärker bieten einen Zwei Kanal-Spannungs-Rückkopplungsverstärker mit einem niedrigen Eingangsruhestrom. Das Gerät verfügt über eine stabile Einheitsverstärkung mit einer Bandbreite der Kleinsignalverstärkung von 105 mHz. Der OPA2810 bietet ideale DC-Präzision und dynamische AC-Leistungsfähigkeit bei niedrigen Ruhestrom (IQ) von 3,6 mA pro Kanal (Typ.). Mit dem proprietären Hochgeschwindigkeits-SiGe Bicmos-Prozess von TI bietet das Gerät bedeutende Leistungssteigerungen gegenüber früheren Versionen. Der OPA2810 ist eine hervorragende Wahl für den Einsatz in einer Vielzahl von High-Fidelity-Datenerfassungs- und Signalverarbeitungsapplikationen. Die Funktionen umfassen ein Verstärkungsbandbreite-Produkt (GBWP) von 70 MHz, eine Anstiegsrate von 192 V/µS und ein Niederspannungsrauschen von 6 nv/√Hz. Ein breiter Versorgungsbereich von 4,75 V bis 27 V steht bei dem Gerät mit Rail-to-Rail-Eingängen und -Ausgängen zur Verfügung. Der OPA2810 liefert 75 mA linearen Ausgangsstrom, wodurch er in der Lage ist, Optoelektronikkomponenten und Analog-Digital-Wandler- (ADC) Eingänge zu betreiben oder DAC-Ausgänge bei schweren Lasten zu puffern.Merkmale
- Verstärkungs-Bandbreitenprodukt: 70 MHz
- Kleine Signalbandbreite: 105 MHz
- Anstiegsgeschwindigkeit: 192 V/µs
- Breiter Versorgungsbereich: 4,75 V bis 27 V
- Rauscharm:
- Eingangsspannungsrauschen: 6 nV/√Hz (f = 500 kHz)
- Eingangsstromrauschen: 5 fA/√Hz (f=10 kHz)
- Rail-to-Rail-Eingang und -Ausgang:
- FET-Eingang: 2 pA Eingangsruhestrom (Typ.)
- Hoher linearer Ausgangsstrom: 75 mA
- Eingangs-Offset: ±1,5 mV (Max.)
- Offset-Abweichung: ±2 µV/°C (Typ.)
- Geringe Energie: 3,6 mA/Kanal
- Erweiterte Betriebstemperatur: -40 °C bis +125 °C
Applikationen
- Breitband-Fotodioden-Transimpedanzverstärker
- High-Z-Front-Ends
- Impedanzmessungen
- Leistungsanalysatoren
- Mehrkanal-Sensor-Schnittstelle
- Pegelverschiebung und Puffer
- Optoelektronik-Treiber
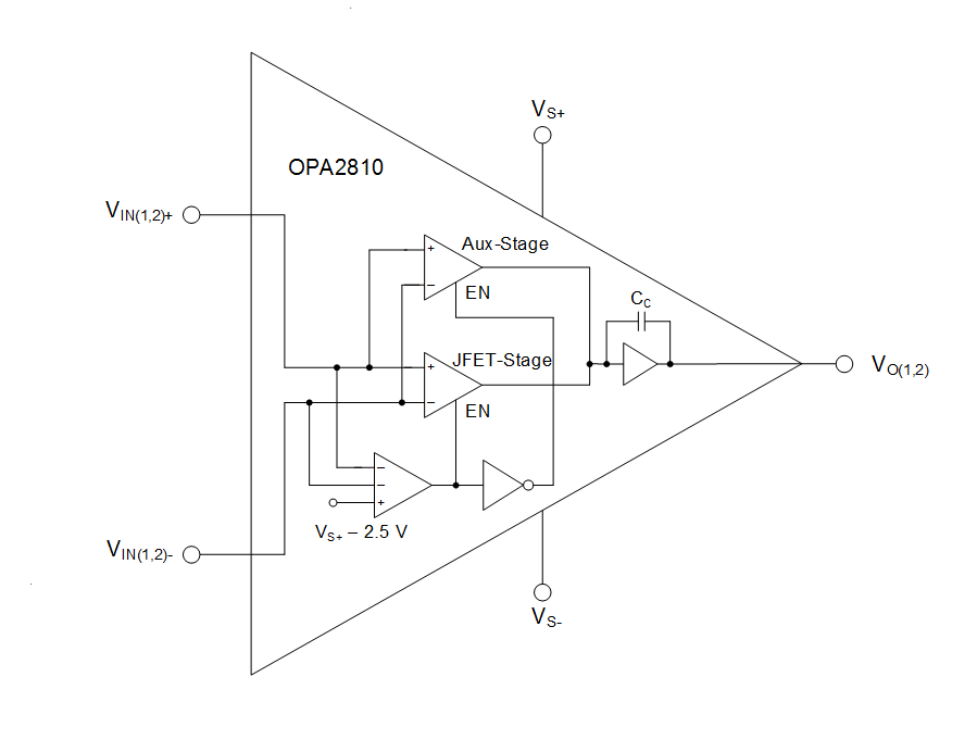
Blockdiagramm
Veröffentlichungsdatum: 2018-08-02
| Aktualisiert: 2024-02-26
