Texas Instruments OPAx186 Präzisions-Operationsverstärker
Der Präzisions-Operationsverstärker (Op Amp) OPAx186 von Texas Instruments ist ein stromsparender 24-V-Operationsverstärker mit Nullpunktdrift und Rail-to-Rail-Eingang und -Ausgang. Dieser Verstärker verfügt über eine Offset-Spannung von nur 10 µV (max.) und eine Offset-Spannungsdrift über Temperatur von 0,04 µV/°C (max). Dieses Bauteil eignet sich hervorragend für die Präzisionsmessgeräte, Signalmessung und aktive Filteranwendungen.Durch den geringen Ruhestromverbrauch von 90 µA eignet sich der OPAx186 von Texas Instruments hervorragend für leistungsempfindliche Applikationen, beispielsweise batteriebetriebene Messgeräte und tragbare Systeme. Darüber hinaus ermöglicht die hohe Gleichtaktarchitektur und die niedrige Offsetspannung eine Überwachung des High-Side-Strom-Nebenwiderstands auf der positiven Schiene. Dieses Bauteil bietet einen robusten ESD-Schutz während des Transports, der Handhabung und der Montage.
Merkmale
- Hohe Präzision
- Offset-Drift: 0,01 µV/°C
- Niedrige Offsetspannung: 1 µV
- Niedriger Ruhestrom: 90 µA
- Ausgezeichnete dynamische Leistung
- Gain-Bandbreite: 750 kHz
- Anstiegsrate: 0,35 V/µs
- Robustes Design
- RFI-/EMI-gefilterte Eingänge
- Rail-to-Rail-Ein-/Ausgang
- Versorgungsbereich: 4,5 V bis 24 V
- Temperaturbereich: -40 °C bis +125 °C
Applikationen
- PC-PSU- und Spielkonsolen-Einheit
- Merchant-DC/DC
- Durchflussgeber
- Drucktransmitter
- Handelsübliches Batterieladegerät
- Stromzähler
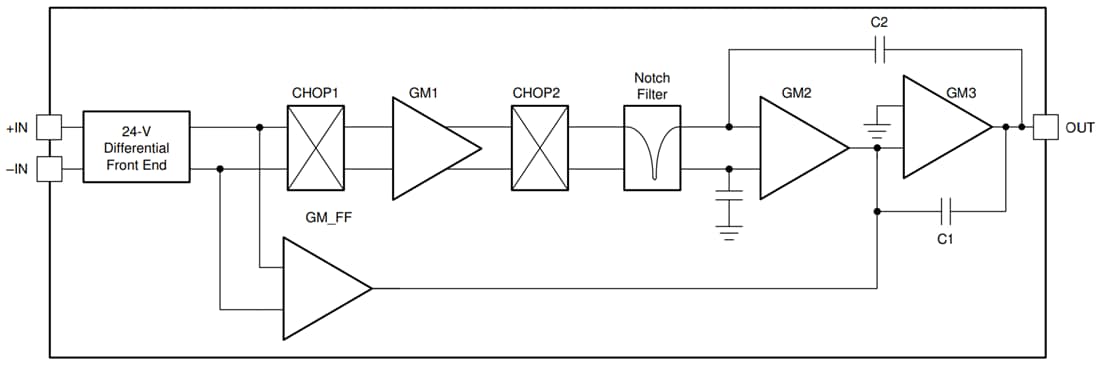
Funktionales Blockdiagramm
Veröffentlichungsdatum: 2022-10-24
| Aktualisiert: 2024-05-06
