Texas Instruments ISO6741DWEVM Evaluierungsmodul
Texas Instruments ISO6741DWEVM Evaluierungsmodul unterstützt die Evaluierung der ISO67xx Drei- und Vierkanal-Digitalisolatoren in einem 16-poligen WB SOIC-Gehäuse. Der ISO67xx digitale Isolator ist in der Lage, eine galvanische Trennung bis zu 5.000 VRMS vorzunehmen. Diese Isolatoren bieten eine hohe elektromagnetische Immunität und geringe Emissionen bei geringem Stromverbrauch, während sie CMOS oder LVCMOS digitale E/As isolieren.Das TI ISO6741DWEVM Evaluierungsmodul bietet genügend Testpunkte und Jumper-Optionen, um das ISO67xx Gerät mit einem Minimum an externen Komponenten zu testen.
Merkmale
- Digitaler Dreifach- und Vierfach-Kanal-Isolator mit niedriger Geschwindigkeit
- 1,71 V auf 5,5 V breiter Übersetzungsbereich für Versorgung und Pegel
- Hohe Signalisierungsrate von bis zu 50 Mbps
- Lebensdauer der Isolationsbarriere > 40 Jahre
Board-Layout
Grundlegender EVM-Betrieb
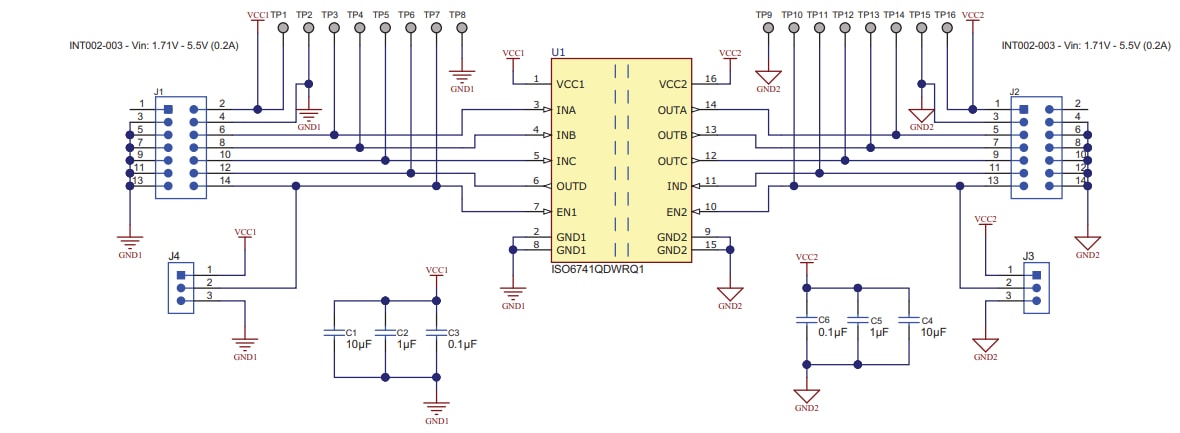
Schaltschema
Veröffentlichungsdatum: 2020-10-07
| Aktualisiert: 2024-08-28
