Texas Instruments ISO121x Isolierte digitale Eingangsempfänger
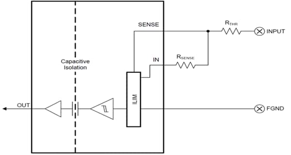
Texas Instruments ISO121x isolierte digitale Eingangsempfänger sind isolierte digitale 24 V bis 60 V Eingangsempfänger, die mit den Eigenschaften von IEC 61131-2 Typ 1, 2 und 3 konform sind. Diese Bauteile eignen sich für speicherprogrammierbare Controller (SPS) und digitale Eingangsmodule für Motorsteuerungen. Im Gegensatz zu herkömmlichen Optokoppler-Lösungen mit diskreten, ungenauen Strombegrenzungsschaltungen, bieten die ISO121x Bauteile eine einfache Lösung mit geringem Stromverbrauch und einer präzisen Strombegrenzung. Diese Funktion ermöglicht die Konstruktion kompakter I/O-Module mit hoher Dichte. Diese Bauteile benötigen keine feldseitige Stromversorgung und sind als Quellen- oder Senken-Eingänge konfigurierbar.Der ISO121x arbeitet über einen Versorgungsbereich von 2,25 V bis 5,5 V und unterstützt 2,5V-, 3,3V- sowie 5V-Controller. Eine Eingangstoleranz von ±60 V mit Umpolungsschutz trägt dazu bei, dass die Eingangspins bei Auftreten von Störungen mit geringfügigem Sperrstrom geschützt sind. Diese Bauteile unterstützen Datenraten von bis zu 4 MBit/s, die eine minimale Pulsbreite von 150 ns für einen Hochgeschwindigkeitsbetrieb durchlaufen lassen. Das ISO1211 Bauteil eignet sich bestens für die Kanal-zu-Kanal-Isolierung und das ISO1212 Bauteil ist ideal für Mehrkanal-Designs mit beschränktem Platz.
Merkmale
- Mit den Eigenschaften von IEC 61131-2; Typ 1, 2, 3 konform
- Genaue Strombegrenzung für geringe Verlustleistung:
- 2,2 mA bis 2,47 mA für Typ 3
- Einstellbar bis 6,5 mA
- Genaue Strombegrenzung für geringe Verlustleistung:
- Beseitigt die Notwendigkeit für feldseitige Stromversorgung
- Hoher Eingangsspannungsbereich mit Umpolungsschutz: ±60 V
- Als Quellen- oder Senkeneingang konfigurierbar
- Hohe Datenraten: bis zu 4 MBit/s
- Hohe transiente Festigkeit: ±70 kV/µs CMTI
- Großer Versorgungsbereich (VCC1): 2,25 V bis 5,5 V
- Umgebungstemperaturbereich: –40 °C bis +125 °C
- Kompakte Gehäuseoptionen:
- Einkanal-ISO1211, SOIC-8
- Zweikanal-ISO1212, SSOP-16
- Sicherheitsbezogene Zertifizierungen:
- Basisisolierung gemäß DIN V VDE V 0884-10
- UL1577-Zulassung, 2.500 VRMS Isolierung
- CSA-, CQC-, TÜV-Zertifikate verfügbar
Applikationen
- Speicherprogrammierbarer Controller (PLC):
- Digitale Eingangsmodule
- I/O-Mischmodule
- Motorantrieb-I/O und Positionsrückmeldung
- CNC-Steuerung
- 48V-Systeme
- Datenerfassung
- Binäre Eingangsmodule
Funktionales Blockdiagramm
Veröffentlichungsdatum: 2017-11-15
| Aktualisiert: 2025-06-13
