Texas Instruments DLPC3437CZEZ DLP-Display-Controller
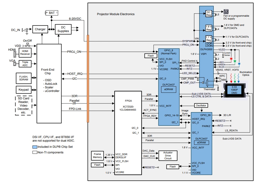
Texas Instruments DLPC3437CZEZ DLP®-Display-Controller sind Teil des DLP3310-Chipsatzes und gewährleisten einen kleinen Formfaktor, geringen Stromverbrauch und hochauflösende Full-HD-Displays. Das Bauteil ermöglicht den zuverlässigen Betrieb des DLP3310 Digital Micromirror Device (DMD). Der Display-Controller unterstützt Bildgrößen von bis zu 1080 p und eine stromsparende DMD-Schnittstelle mit Training. Die Pixeldatenverarbeitung von der IntelliBright™-Suite für Bildverarbeitungsalgorithmen unterstützt eine sich dem Inhalt anpassende Beleuchtungssteuerung und Helligkeitsschübe in lokalen Bereichen.Merkmale
- Kompatibel mit dem DLPA3000 PMIC/LED-Treiber
- Automatisches DMD-Parken bei Stromausfall
- Integrierter Abbildungsspeicher (eDRAM)
- Display-Kontroller für DLP3310 (0,33 1080 p) TRP DMD
- Dedizierter 2xDLPC3437-Controller zum Betreiben des DLP3310 DMD
- Unterstützt Eingangsbildgrößen bis zu 1080 p
- DMD-Schnittstelle mit geringem Stromverbrauch und Schnittstellentraining
- 24-Bit, unterstützt Eingangspixelschnittstelle
- Parallele Schnittstelle
- Pixeltakt bis zu 150 MHz
- Unterstützung für duale FPD-Link-Eingangspixelschnittstellen:
- LVDS-Schnittstelle
- Effektiver Pixeltakt bis zu 150 MHz
- Pixeldatenverarbeitung
- IntelliBright™-Suite für Bildverarbeitungsalgorithmen
- Content-Adaptive Illumination Control
- Local Area Brightness Boost
- Farbkoordinatenanpassung
- Programmierbares Degamma
- Aktive Leistungsmanagement-Verarbeitung
- IntelliBright™-Suite für Bildverarbeitungsalgorithmen
- Gehäuse:
- 201-Pin-NFBGA von 13 mm × 13 mm mit 0,8 mm Rastermaß
- Unterstützung von externem Flash
- Systemmerkmale:
- I2C-Steuerung der Bauteilkonfiguration
- Programmierbare Splash-Bildschirme
- Programmierbare Steuerung des LED-Stroms
- Latenz von einem Frame
Applikationen
- Mobile Smart-Fernseher
- Bildschirmlose Fernseher
- Spiel-Displays
- Digitale Beschilderung
- Tragbare Displays
- Pico-Projektoren
- Interaktive Displays
- Extrem mobile Displays
- Smart-Home-Displays
- Maschinelles 3D-Sehen
- 3D-Drucker
Blockdiagramm
Veröffentlichungsdatum: 2018-08-08
| Aktualisiert: 2023-01-31
