Texas Instruments DLP2010NIR WVGA-Nahinfrarot-DMD von 0,2 Zoll (0,5 cm)
Das Texas Instruments DLP2010NIR WVGA-Nahinfrarot-Digital-Mikrospiegelgerät (Digital Micromirror Device, DMD) fungiert als räumlicher Lichtmodulator (Spatial Light Modulator, SLM), der nahinfrarotes (NIR) Licht steuert. Entwickler können das Gerät nutzen, um Produktionsmuster mit Geschwindigkeit, Präzision und Effizienz herzustellen. Das DLP2010NIR bietet eine hohe Auflösung in einem kompakten Formfaktor. Das DMD DLP2010NIR wird allgemein mit einem Einzelelementdetektor kombiniert, um teure InGaAs-Detektordesigns, die auf Arrays basieren, zu ersetzen. Damit werden die Weichen zu kostengünstigen tragbaren NIR-Spektroskopie-Lösungen gesetzt. Das DMD DLP2010NIR ermöglicht eine Wellenlängensteuerung und ein programmierbares Spektrum. Damit eignet sich das DLP2010NIR DMD hervorragend für mobile Applikationen mit geringem Stromverbrauch wie Hautanalyse, Materialidentifikation und chemische Abtastung.Merkmale
- 0,2 Zoll (5,29 mm) diagonales Mikrospiegelarray
- 854 × 480 Array von Aluminium-Spiegeln in Mikrometergröße mit orthogonaler Ausrichtung
- 5,4 µm Mikrospiegelabstand
- ±17 ° Mikrospiegelkippwinkel (relativ zur flachen Anordnung)
- Seitenbeleuchtung für einen optimalen Wirkungsgrad und eine optische Einheitsgröße
- Hocheffiziente Steuerung von NIR-Licht
- Übertragungsfensterwirkungsgrad 96 % Nennwert (700 bis 2000 nm, Einzeldurchlauf über zwei Fensteroberflächen)
- Übertragungsfensterwirkungsgrad 90 % Nennwert (2000 bis 2500 nm, Einzeldurchlauf über zwei Fensteroberflächen)
- Polarisierungsunabhängige Aluminium-Mikrospiegel
- Dedizierter Controller DLPC150 für zuverlässigen Betrieb
- Binäre Musterraten bis zu 2880 Hz
- Mustersequenzmodus für Steuerung jedes Mikrospiegels im Array
- Dedizierter integrierter Schaltkreis für Leistungsmanagement (PMIC) DLPA2000 oder DLPA2005 für einen zuverlässigen Betrieb
- 15,9 mm × 5,3 mm × 4 mm Baugröße für tragbare Geräte
Applikationen
- Spektrometer (Chemische Analysen)
- Tragbare Prozessanalysatoren
- Tragbare Ausrüstung
- Kompressionsabtastung (Einzel-Pixel-NIR-Kameras)
- 3D-Biometrik
- Maschinelle Bildverarbeitung
- Infrarot-Szenenprojektion
- Mikroskope
- Laser-Beschriftung
- Optische Chopper
- Optische Netzwerke
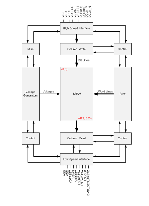
Blockdiagramm
Veröffentlichungsdatum: 2017-02-15
| Aktualisiert: 2022-03-29
