Texas Instruments AMC1336/AMC1336-Q1 Isolierte Delta-Sigma-Modulatoren
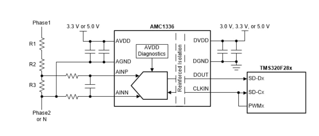
Die verstärkten isolierten Delta-Sigma Modulatoren AMC1336/AMC1336-Q1 von Texas Instruments bieten einen Ausgang, der durch eine kapazitive Doppelisolationsbarriere, die sehr widerstandsfähig gegen magnetische Störungen ist, von der Eingangsschaltung getrennt ist. Diese Barriere ist für eine verstärkte Isolierung von bis zu 8.000 VPEAK gem. DIN VDE V 0884-11 und UL1577 zertifiziert. Die Modulatoren AMC1336/AMC1336-Q1 trennen Teile des Systems, die mit unterschiedlichen Gleichtaktspannungspegeln arbeiten, und schützen Niederspannungsteile vor Schäden, wenn sie mit anderen isolierten Stromversorgungen verwendet werden.Die verstärkten isolierten Delta-Sigma Modulatoren AMC1336 verfügen über einen einzigartigen breiten, bipolaren Eingangsspannungsbereich von ±1 V mit einem hohen Eingangswiderstand, der den direkten Anschluss des Bausteins an Widerstandsteiler in Hochspannungsanwendungen unterstützt. In Verbindung mit einem digitalen Filter wie den Mikrocontrollerfamilien TMS320F28004x, TMS320F2807x oder TMS320F2837x zur Dezimierung des Ausgangsbitstroms kann das Bauteil eine Auflösung von 16 Bit mit einem Dynamikbereich von 87 dB bei einer Datenrate von 82 KS/s erreichen.
Auf der High-Seite wird der AMC1336 von einer 3,3-V- oder 5-V-Stromversorgung versorgt und arbeitet mit einer Stromversorgung von 3,0 V, 3,3 V oder 5 V aus der isolierten digitalen Schnittstelle. Die Leistung des Modulators AMC1336 ist für den erweiterten industriellen Temperaturbereich von -40 °C bis +125 °C spezifiziert. Die AMC1336-Q1 Bauteile von Texas Instruments sind gemäß AEC-Q100 für Fahrzeuganwendungen zugelassen.
Merkmale
- Eingangsstruktur für Spannungsmessungen optimiert
- Eingangsspannungsbereich: ±1 V
- Eingangswiderstand: 1,5 GΩ (typisch)
- Ausgezeichnete DC-Leistung:
- Offset-Fehler: ±0,5 mV (max.)
- Offset-Drift: ±4 μV/°C (max.)
- Gain-Fehler: ±0,25 % (max.)
- Gain-Drift: ±40 ppm/°C (max.)
- Transientenfestigkeit: 115 kV/µs (typisch)
- Fehlende High-Side-Versorgungserkennung
- Sicherheitsbezogene Zertifizierungen:
- 8.000 VPEAK verstärkte Isolierung gem. DIN VDE V 0884-11: 2017-01
- 5.700 VRMS Isolierung für die Dauer von 1 Minute gemäß UL1577
- IEC 62368-1 für Endgeräte
Applikationen
- Isolierte AC- und DC-Spannungsmessung in:
- Unterbrechungsfreie Stromversorgungen
- Photovoltaik-Wechselrichter
- Motorantriebe
Datenblätter
Funktionsdiagramm
