Texas Instruments AFE44I3x Extrem stromsparendes Analog-Frontend (AFE)
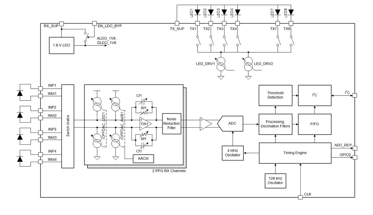
Das integrierte stromsparende Analog-Frontend AFE44I3x von Texas Instruments wurde für optische Biosensorik-Applikationen wie die Überwachung der Herzfrequenz (HRM) und der peripheren kapillaren Sauerstoffsättigung (SpO2) entwickelt. Das AFE44I3x unterstützt bis zu vier schaltbare Leuchtdioden (LEDs) und bis zu vier Fotodioden. Es können bis zu 24 Signalphasen definiert werden, und das Signal kann von jeder Phase synchronisiert erfasst werden. Der Strom von der Fotodiode wird über den Transimpedanzverstärker (TIA) in eine Spannung umgewandelt und dann mit einem Analog-Digital-Wandler (ADC) digitalisiert. Der ADC-Code kann in einem First-In, First-Out (FIFO)-Block mit 128 Abtastungen gespeichert werden. Der FIFO kann über eine I2C-Schnittstelle ausgelesen werden.Darüber hinaus enthält der Texas Instruments AFE44I3x einen vollständig integrierten LED-Treiber mit einer 8-Bit-Stromregelung. Das Bauteil verfügt über eine Sende- und Empfangsschaltung mit einem hohen Dynamikbereich, welche die Erkennung von sehr kleinen Signalpegeln unterstützt.
Merkmale
- Genaue, kontinuierliche Herzfrequenzüberwachung
- System-SRV von bis zu 108 dB bei einem PD-Strom von 16 µA
- Niedriger Stromverbrauch für den Dauerbetrieb auf Wearables mit einem typischen Wert (15 µA für eine LED, 20 µA für den Empfänger)
- Transmitter
- Unterstützt eine gemeinsame Anoden-LED-Konfiguration
- 8-Bit programmierbarer LED-Strom mit einem einstellbaren Bereich von 25 mA bis 250 mA
- Modus zur Parallelschaltung von zwei LEDs mit unabhängiger Stromregelung je Außenleiter
- Programmierbare LED-Einschaltzeit pro Phase
- Gleichzeitige Unterstützung von 6 LEDs für SpO2, HRM, oder Multi-Wellenlängen-HRM
- Empfänger
- Unterstützt vier Zeitmultiplex-Fotodiodeneingänge
- Zwei parallelgeschaltete Empfänger (zwei Sätze von TIA/Filter)
- Individueller Umgebungs-Offset-Subtraktions-DAC an jedem TIA-Eingang mit 8-Bit-Steuerung pro Phase und einem einstellbaren Bereich von bis zu 255 µA
- Individueller DAC zur LED-Offset-Subtraktion an allen TIA-Eingängen mit 5-Bit-Steuerung je Außenleiter und Bereich von 15,5 µA
- Umgebungsunterdrückung von fast 100 dB bis zu 10 Hz
- Rauschfilterung mit programmierbarer Bandbreite
- Tansimpedanz-Gain: 3,7 kΩ bis 1 MΩ
- Unterstützt die Signalerfassung von bis zu 24 Phasen
- Flexible Zuordnung von 6 LED, 4 PD in jeder Phase
- Gleichzeitige Signalerfassung von verschiedenen Sensoren bei unterschiedlichen Datenraten
- Unterstützt externe Takt- und interne Oszillator-Modi
- Option zum Erfassen von Daten, die mit einem System-Mastertaktgeber synchronisiert sind
- Automatische Löschung von DC von Umgebung, LED
- FIFO mit 128-Beispiel-Tiefe
- I2C-Schnittstelle
- 2,6 mm × 2,1 mm DSBGA, 0,4 mm Rastermaß
- Versorgungen: Rx: 1,7 V bis 1,9 V (LDO-Bypass); 1,9 V bis 3,6 V (LDO-aktiviert), Tx: 3 V bis 5,5 V, IO: 1,7 V bis 3,6 V
Applikationen
- Optische Herzfrequenzüberwachung (HRM) für Wearables, Hearables
- Herzfrequenzvariabilität (HRV)
- Pulsoximetrie-Messungen (SpO2)
Blockdiagramm
Veröffentlichungsdatum: 2020-04-13
| Aktualisiert: 2024-06-04
