Texas Instruments ADC344x Quad-Kanal-14-Bit-ADCs

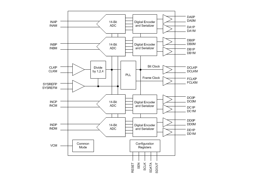
Der ADC344x 14-Bit-Analog-Digitalwandler (ADC) von Texas Instruments ist ein hoch linearer, 14-Bit, 25-MSPS- auf 125-MSPS-Quad-Kanal-Analog-Digitalwandler (ADC) mit äußerst geringem Energieverbrauch. Die Bauteile sind speziell entwickelt, um anspruchsvolle, hohe Eingangsfrequenzsignale mit großen Dynamikbereichsanforderungen zu unterstützen. Ein Eingangstaktteiler ermöglicht höhere Flexibilität für ein Systemtakt-Architekturdesign und der SYSREF-Eingang ermöglicht eine komplette Systemsynchronisierung. Die ADC344x unterstützen serielles Low-Voltage Differential Signaling (LVDS), um die Anzahl der Schnittstellenleitungen zu senken und somit eine höhere Systemintegrationsdichte zu ermöglichen. Die serielle LVDS-Schnittstelle ist eine Zweidraht-Ausführung, wobei alle ADC-Daten serialisiert und über zwei LVDS-Paare ausgegeben werden. Eine interne phasengesperrte Schleife (PLL) multipliziert den hereinkommenden ADC-Abtasttakt, um den Bit-Takt abzuleiten, der verwendet wird, um die 14-Bit-Ausgangsdaten von jedem Kanal zu serialisieren.

Merkmale

  • Quad-Kanal
  • 14-Bit-Auflösung
  • SRV = 72,4 dBFS, SFDR = 87 dBc bei fIN = 70 MHz
  • Pin-zu-Pin-kompatibel mit 12-Bit-Version
  • Extrem geringer Stromverbrauch
    • 98 mW/Kanal bei 125 MSPS
  • Gehäuse: VQFN-56 (8 mm×8 mm)

Applikationen

  • Multi-Carrier, Multi-Mode Mobil-Basisstationen
  • Radar- und Smart Antenna-Arrays
  • Anleitung für Munitionen
  • Motorsteuerungs-Feedback
  • Netzwerk- und Vektoren-Analysatoren
  • Kommunikationstestgeräte
  • Zerstörungsfreie Prüfung
  • Mikrowellenempfänger
  • Softwarebasierte Funkgeräte (SDRs)
  • Quadratur- und Mehrfach-Funkempfänger

Blockdiagramm

Blockdiagramm - Texas Instruments ADC344x Quad-Kanal-14-Bit-ADCs
Veröffentlichungsdatum: 2016-01-22 | Aktualisiert: 2025-06-25