![]() |
||
|
Bürstenlose DC-Motorlösung
|
||
TI Winning Solutions
|
|
Lernen Sie eine bürstenlose DC-Motorantriebslösung kennen, die programmierbare Verarbeitung mehrfacher BLDC-Motoranwendungen und 100-V-MOSFET-Treibertechnologie für die umfassende Steuerung von Motoren mit hohem Drehmoment bietet. Diese TI Winning Solution umfasst: LM5101BMA - 100V MOSFET Treiber Weitere Ressourcen: Leitfaden TI Motorlösungen Hauptmerkmale
|
Klicken Sie auf die farbigen Felder |
|
| |
|
LM5101BMA
LM5101BMA - 100V MOSFET Treiber
Die LM5100A/B/C- und LM5101A/B/C-Hochspannungs-Gate-Treiber sind konzipiert für die Ansteuerung von High-Side- und Low-Side-N-Kanal-MOSFETs in einer synchronen Buck- oder Halb-Brücken-Konfiguration. Der erdfreie High-Side-Treiber kann mit Versorgungsspannungen von bis zu 100V betrieben werden. Die „A“-Version bietet volle 3A Gate-Ansteuerung, während die „B“- und „C“-Versionen 2A und 1A liefern. Die Ausgänge werden unabhängig voneinander mit CMOS-Eingangsschwellwerten (LM5100A/B/C) oder TTL-Eingangsschwellwerten (LM5101A/B/C) gesteuert. Eine integrierte Hochspannungsdiode lädt den Bootstrap-Kondensator des High-Side-GateTreibers. Ein robuster Pegelwandler operiert bei hoher Geschwindigkeit und niedrigem Stromverbrauch und leistet saubere Pegelübersetzungen von der Logiksteuerung zum High-Side-Gate-Treiber.
|
Bild dient nur der Veranschaulichung. Andere Pin/Gehäuse-Kombinationen auf Anfrage. Weitere Ressourcen Anwendungshinweis 1331 LM5033 Entwicklungsplatine Anwendungshinweis 1317 Auswahl externer Bootstrap-Diode für LM510X-Geräte
|
Vereinfachtes Blockdiagramm![]() |
|
LM3S8971
LM3S8971 - Stellaris® Integrierte Motorsteuerungs- und Motortreiberlösung
Der Stellaris® LM3S8971 Mikrocontroller basiert auf dem ARM® Cortex™-M3-Controller-Kern, der bei bis zu 50MHz mit 256kB Flashspeicher und 64kB SRAM betrieben wird. Der LM3S8971 bietet industrielle Echtzeitkonnektivität mit 10/100 Ethernet MAC/PHY, einem CAN-Controller, einem SSI/SPI-Controller und einem UART. Der LM3S8971 Mikrocontroller verfügt über erweiterte Bewegungssteuerungsfunktionen inklusive sechs Bewegungssteuerungs-PWM-Ausgängen mit Deadband, Quadratur-Encoder-Eingang für Präszionsüberwachung und eines Fehlerschutzeingangs für Niedriglatenzabschaltung. Der Mikrocontroller bietet intelligente Analogfähigkeit inklusive eines analogen Komparators und acht Kanälen hochpräziser 10-Bit-Analog-zu-Digital-Wandlung mit der Möglichkeit des Abtastens mit Geschwindigkeiten von bis zu 1M-Samples pro Sekunde.
|
Bild dient nur der Veranschaulichung. Andere
Weitere RessourcenPin/Gehäuse-Kombinationen auf Anfrage.
|
Funktionsdiagramm![]() |
AMC1200
AMC1200 - Isolationsverstärker
Der AMC1200 ist ein präziser Isolationsverstärker mit einem Ausgang, der vom Eingangsschaltkreis durch eine Siliziumdioxid (SiO2)-Sperre getrennt ist, die sehr widerstandsfähig gegen magnetische Interferenzen ist. Diese Barriere ist zertifiziert für galvanische Trennung bis zu 4000 VPEAK gemäß UL1577 und IEC60747-5-2. In Verbindung mit isolierten Stromversorgungen verhindert die Komponente, dass Rauschstrom aus einer Hochspannungsleitung in die Erde eintritt und die empfindlichen Schaltkreise stört oder beschädigt.
Der Eingang des AMC1200 wurde für den direkten Anschluss an einen Shunt-Widerstand oder andere Signalquellen mit niedriger Spannung optimiert. Die exzellente Leistung des Geräts unterstützt die genaue Stromsteuerung, was in einer Stromeinsparung auf Systemebene und (speziell in Motorsteuerungen) einer niedrigeren Drehmomentenwelligkeit resultiert.
Merkmale
|
Anwendungsbereiche
![]() |
Funktionsdiagramm![]() |
|
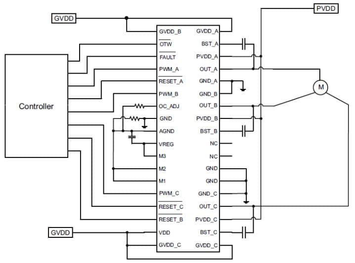
DRV8312
DRV8312 - Bürstenloser 3-Phasen-DC-Motortreiber
Die DRV8312/32 sind integrierte 3-Phasen-DC-Motortreiber mit einem erweiterten Schutzsystem. Aufgrund des niedrigen RDS(on) der Leistungs-MOSFETs und eines intelligenten Gate-Ansteuerungs-Designs haben diese Motortreiber einen Wirkungsgrad von bis zu 97%, wodurch die Verwendung kleinerer Netzteile und Kühlkörpper ermöglicht wird und die Komponente sich für Anwendungen mit hoher Energieeffizienz eignet.
Die DRV8312/32 benötigen zwei Stromversorgungen, eine mit 12V für GVDD und VDD und eine weitere mit 50V für PVDD. Die DRV8312/32 können bei einer Schaltfrequenz von bis zu 500kHz betrieben werden, ohne Einbußen bei Steuerungspräzision und Wirkungsgrad aufzuweisen. Sie verfügen über ein innovatives Schutzsystem, das das Gerät vor einer Vielzahl von systemdestruktiven Fehlerzuständen schützt.
Merkmale
|
Anwendungsbereiche
![]() |
Vereinfachtes Anwendungsdiagramm![]() |
|











