TE Connectivity SPE T1 Industriesteckverbinder IP20
Die SPE T1 Industriesteckverbinder IP20 von TE Connectivity sind Single-Pair-Ethernet (SPE), die die Ethernet-Übertragung über nur ein Paar Kupferdrähte spezifizieren. Diese Industriesteckverbinder-IP20 unterstützen Power-over-Data-Leitung (PoDL), die die Stromversorgung der Remote-Baugruppe über das gleiche Kabelpaar ermöglicht. Die SPE T1 Steckverbinder verfügen über eine 1 Gb/s-Kommunikation, eine standardisierte IEC63171-6-Schnittstelle, einen Betriebstemperaturbereich von -40 °C bis 85 °C und eine DC-Betriebsspannung von 60 V. Diese Industriesteckverbinder IP20 sind flexibler, haben einen kleinen Durchmesser und weniger schwere Kabel, so dass die Applikation schneller läuft und weniger Energie verbraucht. SPE T1 Industriesteckverbinder IP20 erfüllen die Anforderungen gemäß IEC 63171-6- und UL1977-Normen und eignen sich hervorragend für den Einsatz in Sensoren, Aktoren, Schaltern, Maschinen und Robotik.Merkmale
- Ein verdrilltes Kabelpaar
- Bis zu 1 Gb/s Kommunikation
- IEC63171-6 standardisierte Schnittstelle
- Kabel mit kleinem Durchmesser, flexibler und weniger schwer, damit die Applikation schneller läuft und weniger Energie verbraucht
- 360°-Abschirmung
- Kleines Steckverbinder-Formfaktor ermöglicht Miniaturisierung in der Applikationen nächsten Generation.
- PoDL-Unterstützung
- Einfache und schnelle Bestückung der Steckverbinder reduziert die Installationskosten
- Reflow-lötbarer SPE-Board-Steckverbinder unterstützt neueste industrielle Bestückungsprozesse
- Der Kabelsteckverbinder nutzt hochgradig zuverlässige Crimp-Kontakte, die Ausfallzeiten reduzieren
Technische Daten
- 60 VDC Betriebsspannung
- Spannungsfestigkeit:
- 1 kV DC-Kontakt
- Spannungsfestigkeit:
- 1,5 kV AC RMS Kontaktabschirmung
- Reflow mit Durchsteckmontage (THR) - Lötzinn (Platine) und Crimpkontakt (Kabel)
- Betriebstemperaturbereich: -40 °C bis +85 °C
- Leiterquerschnitt: 26AWG bis 22AWG
- 4,5 mm bis 5,5 mm Außendrahtdurchmesser
Applikationen
- Sensoren
- Betätiger
- Schalter
- Maschinenanlagen
- Robotik
Abmessungen Zeichnung von 2364150-1
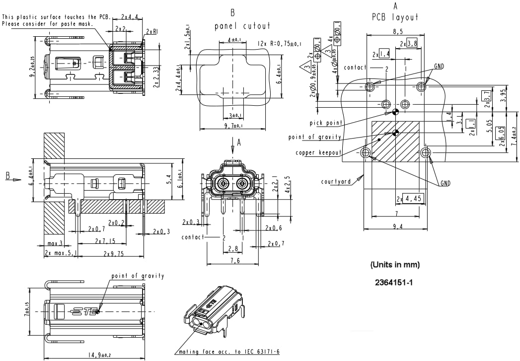
Abmessungen Zeichnung von 2364151-1
Abmessungen Zeichnung von 2368258-1 und 2368258-2
Abmessungen Zeichnung von 2368260-1
Abmessungen Zeichnung von 2368261-1
View Results ( 6 ) Page
| Teilnummer | Datenblatt | Produkt | Montage | Nennspannung | Drahtstärke | IP-Schutzklassen | Produkt-Typ | Montagewinkel | Montageart |
|---|---|---|---|---|---|---|---|---|---|
| 2364150-1 | ![]() |
Connectors | Crimp | 60 VDC | IP20 | Modular Connectors / Ethernet Connectors | Straight | Cable Mount | |
| 2364151-1 | ![]() |
Connectors | Solder | 60 VDC | IP20 | Modular Connectors / Ethernet Connectors | Right Angle | Through Hole | |
| 2368258-2 | ![]() |
Contacts | Crimp | 22 AWG | Terminals | ||||
| 2368260-1 | ![]() |
Multi-Tools | Crimpers | ||||||
| 2368261-1 | ![]() |
Multi-Tools | Crimpers | ||||||
| 2368258-1 | ![]() |
Contacts | Crimp | 26 AWG | Terminals |
Veröffentlichungsdatum: 2023-01-24
| Aktualisiert: 2024-02-12

