TE Connectivity / Linx Technologies HumPRO™ Frequency Hopping Transceiver
TE Connectivity / Linx Technologies HumPRO™ Frequency Hopping Digital Data Transceivers are complete wideband RF transceivers modules with a microcontroller. The HumPRO are designed for robust data transfer and include a frequency hopping protocol. These transceivers support versions at 2.4GHz and 900MHz with a common footprint and pinout.The module features an FHSS protocol that typically locks in at under 50ms which allows a quick wake-up, send and sleep cycle. TE Connectivity / Linx Technologies HumPRO is designed for battery-powered applications and can operate at 2V with a low transmit current of 28mA to 36mA and standby current as low as 1µA. Applications include Remote data transfer Internet of Things (IoT), Machine to Machine (M2M), consumer wireless, wireless sensor networks, home automation, remote status monitoring, robotics, and industrial automation.
Features
- FHSS Algorithm
- Fast lock (<30ms at 115kbps)
- Low power modes
- FCC and IC Pre-certified version
- Simple UART interface
- No external RF components required
- No production tuning required
- Tiny PLCC-32 footprint
- Wideband frequency hopping
- Unique 32-bit serial number addressing
- 11.5mm x 14mm dimensions
Applications
- Remote data transfer
- Internet of Things (IoT)
- Machine to Machine (M2M)
- Consumer wireless
- Wireless sensor networks
- Home automation
- Remote status monitoring
- Industrial automation
- Robotics
- Data acquisition
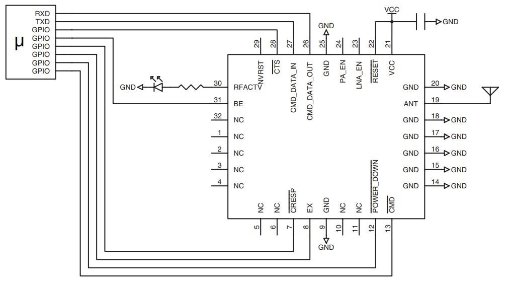
Typical Application Circuit
Learn More About
Veröffentlichungsdatum: 2014-11-11
| Aktualisiert: 2025-03-12
