TDK-Lambda RSEV EMV-Filter
Die TDK-Lambda EMV-Filter der RSEV-Baureihe mit 6 A bis 30 A und 250 VAC sind integrierte Reihenklemmen mit unverlierbaren Schrauben. Die RSEV-EMV-Filter bieten im Vergleich zu anderen TDK-Lambda-Filtern eine Frequenz von 60 Hz und eine geringere Größe. Die versenkten Schrauben benötigen keine Klemmenabdeckung. Die unverlierbaren Verbindungsschrauben verhindern den Verlust von Hardware. Zu den Applikationen gehören Telekommunikation/Datenkommunikation, Industrie sowie Test- und Messsysteme.DIN-Schienen-Montage-Zubehör-Kit anzeigen
Merkmale
- Integrierter Anschlussblock mit unverlierbaren Schrauben
- Kompakte Größe
- Konform mit UL-, CSA- und EN-Sicherheitszertifizierungen
Applikationen
- Telekommunikation/Datenkommunikation
- Industrieapplikationen
- Test- und Messsysteme
Technische Daten
- 250 VAC-Eingangsspannung
- Nennstrom von 6 A bis 30 A
- 60 Hz Frequenz
- Betriebstemperaturbereich -25°C bis +85°C
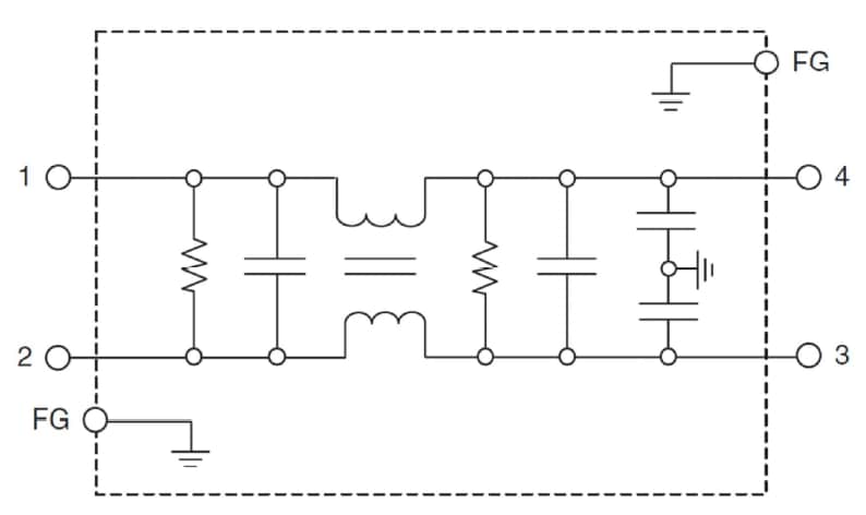
Schaltplan
Veröffentlichungsdatum: 2018-02-20
| Aktualisiert: 2023-01-16
