STMicroelectronics STSPIN32F0B Erweiterte Einzel-Shunt-BLDC-Controller
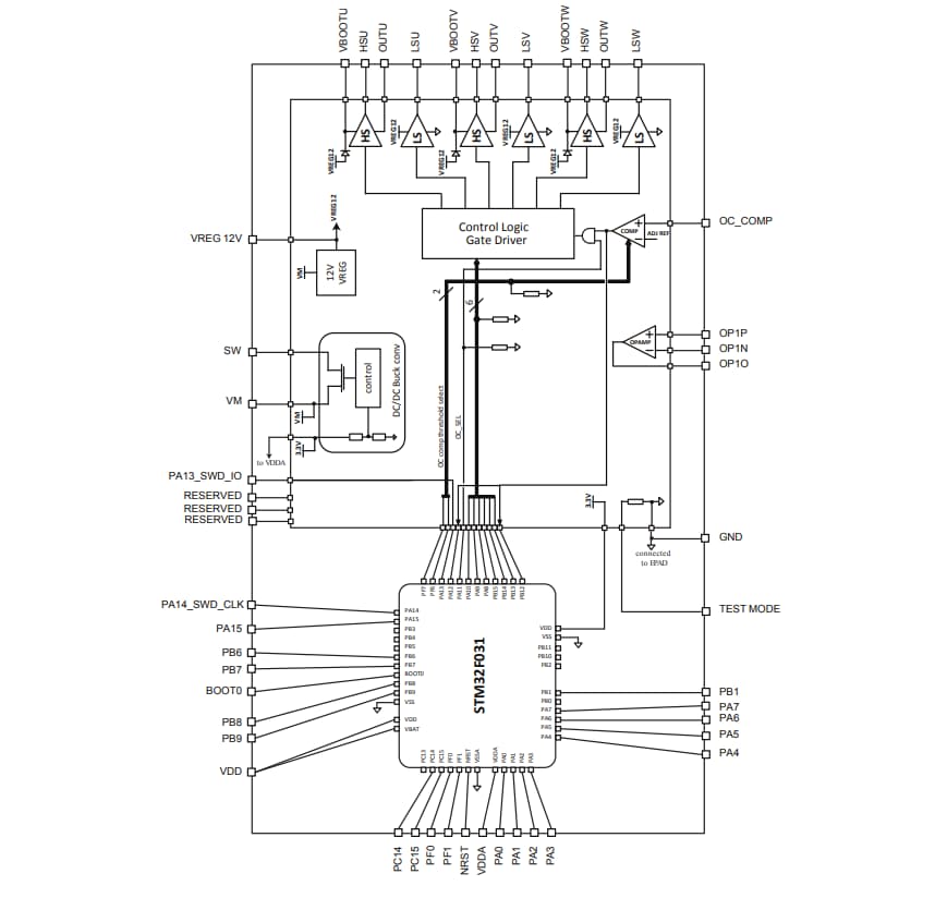
Der STMicroelectronics STSPIN32F0B erweiterte Einzel-Shunt-BLDC-Controller ist ein System-In-Package, das eine integrierte Lösung bietet, die für den Antrieb von dreiphasigen BLDC-Motoren mit verschiedenen Antriebsmodi geeignet ist. Die STSPIN32F0B Controller integrieren einen dreifachen Halbbrücken-Gate-Treiber, der in der Lage ist, Leistungs-MOSFETs mit einer Strombelastbarkeit von 600 mA (Senke und Quelle) anzutreiben. Durch eine integrierte Verriegelungsfunktion können die High- und Low-Side-Schalter der gleichen Halbbrücke nicht gleichzeitig hoch gesteuert werden.Das Bauteil verfügt über einen internen DC/DC-Abwärtswandler, der die 3,3-V-Spannung liefert, die sowohl für den MCU als auch für externe Komponenten geeignet ist. Zusätzlich stellt ein interner LDO-Linearregler die Versorgungsspannung für Gate-Treiber zur Verfügung. Für die Signalkonditionierung steht der integrierte Operationsverstärker zur Verfügung, der die Strommessung über den Nebenwiderstand ermöglicht. Der Überstromschutz ist beim STSPIN32F0B vorhanden und wird von einem Komparator mit programmierbarem Schwellenwert durchgeführt.
Der integrierte MCU STM32F031C6 mit erweitertem Temperaturbereich ermöglicht feldorientierte Steuerungs-, sechsstufige, sensorlose und andere fortschrittliche Antriebsalgorithmen. Darüber hinaus bietet der MCU eine Lese-/Schreibschutzfunktion für den integrierten Flash-Speicher zum Schutz vor unerwünschten Schreib- bzw. Lesevorgängen. Der integrierte Bootloader ermöglicht das Herunterladen der Firmware vor Ort über die serielle Schnittstelle. Weitere Merkmale des STSPIN32F0B sind Übertemperatur- und Unterspannungssperrschutz sowie Standby-Modus zur Reduzierung des Stromverbrauchs.
Das Bauteil verfügt über 20 Universal-I/O-Anschlüsse (GPIO) mit der 5-V-Toleranzfähigkeit sowie einen 12-Bit-Analog-Digital-Wandler mit bis zu 9 Kanälen, der die Konvertierung in einem Einzelbild- oder Scan-Modus durchführt. Außerdem verfügt der STSPIN32F0B über 5 synchronisierbare Universal-Timer und unterstützt eine einfach zu bedienende Serielle Debugging-Schnittstelle (SWD).
Merkmale
- Erweiterte Betriebsspannung von 6,7 bis 45 V
- Dreiphasen-Gate-Treiber
- 600 mA Senke/Quelle
- Integrierte Bootstrap-Dioden
- Schutz vor Querstrom
- 32-Bit-ARM® Cortex®-M0-Core:
- Taktfrequenz von bis zu 48 MHz
- 4-Kbyte SRAM mit HW-Parität
- 32-Kbyte Flash-Speicher mit Options-Bytes für Schreib-/Ausleseschutz
- Bootloader-FW verfügbar
- 3,3-V-DC/DC-Abwärtswandler mit Überstrom-, Kurzschluss- und thermischem Schutz
- 12-V-LDO-Linearregler mit thermischem Schutz
- 20 Universal-I/O-Anschlüsse (GPIO)
- 5 Universal-Timer
- 12-Bit-ADC-Wandler (bis zu 9 Kanäle)
- I2C-, USART- und SPI-Schnittstellen
- Ein Rail-to-Rail-Operationsverstärker für Signalkonditionierung
- Komparator für Überstromschutz mit programmierbarem Schwellenwert
- Standby-Modus für geringen Stromverbrauch
- UVLO-Schutz auf jeder Stromversorgung:
- VM , VDD, VREG und VBOOTx
- On-Chip-Debug-Unterstützung über SWD
- Erweiterter Temperaturbereich: -40 °C bis +125 °C
Applikationen
- Elektrowerkzeuge
- Lüfter und Pumpen
- Industrieautomatisierung
- Batteriebetriebene Haushaltsgeräte
Videos
Analog-IC – Blockdiagramm
System-In-Package Blockdiagramm
