STMicroelectronics L99H92 Automotive-Halbbrücken-Vortreiber
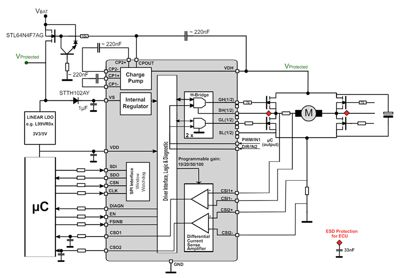
Die L99H92 Automotive-Halbbrücken-Vortreiber von STMicroelectronics steuern vier externe n-Kanal-MOSFET-Transistoren in einer einzelnen H-Brücken- oder einer unabhängigen Dual-Halbbrücken-Konfiguration für die DC-Motorsteuerung in Fahrzeuganwendungen an. Zwei frei konfigurierbare Strommessverstärker sind ebenfalls integriert. Im Stromsparmodus (standby-Modus) beträgt der Stromverbrauch weniger als 5µA. Der programmierbare Gate-Antriebsstrom ermöglicht die Reduzierung von EMI. Jeder Gate-Treiber überwacht (unabhängig) seine externe MOSFET-Drain-Quellenspannung auf Fehlerbedingungen. Die programmierbare Querstromschutzzeit verhindert die gleichzeitige High- und Low-Side-Aktivierung für jede Halbbrücke.Der L99H92 von STMicroelectronics verfügt über zwei Diagnose-Komparatoren im Aus-Zustand, die potenzielle Kurzschluss-zu-Masse-, Kurzschluss-zu-Batterie- oder offene Lastbedingungen erkennen. Die integrierte serielle Standard-Peripherieschnittstelle (SPI) steuert das Bauelement und bietet Diagnoseinformationen. Ein zusätzlicher DIGN-Ausgangspin warnt die Mikrocontroller vor einem Fehler, der schneller im Bauelement auftritt als die SPI-Kommunikation. Das L99H92 Bauelement implementiert Diagnose- und Schutzfunktionen, wie Versorgungsspannungsüberwachung, Ladungspumpen-Spannungsüberwachung, Überstromschutz, Temperaturwarnung und Übertemperaturabschaltung. Die Bauteile werden in einem TQFP32- und QFN32-Gehäuse mit freiliegenden Pads gehostet. Der QFN32 verfügt über benetzbare Flanken für eine einfache Sichtprüfung der Lötstelle.
Merkmale
- AEC-Q100-qualifiziert
- Stromversorgungs-Betriebsbereich von 4,51 V bis 28 V (Gate-Treiber werden ab 5,41 V betrieben)
- 3,3 V- / 5 V-kompatible I/Os
- Alle Pins, die mit dem Mikrocontroller, einem ausfallsicheren Eingang und VDD verbunden sind, werden tolerant gegenüber der Batteriebelastung
- Dual-Halbbrückentreiber, der mit NMOSFETs mit Standard-Schwellenwert kompatibel ist
- Konfigurierbare Vollbrücken- oder unabhängige Dual-Halbbrückensteuerung, programmierbarer Umwälzpfad bei Vollbrückensteuerung
- Zweiphasen-Ladungspumpe unterstützt 100 % PWM-Tastverhältnis bis zu einer Batteriespannung von 5,41 V
- Mindest-High- und Low-Side-VGS= 6,2V bei VDH = 5,5 V und Ladungspumpen-Laststrom (ICPLOAD) gleich 5 mA
- Mindest-High- und Low-Side-VGS= 8,2V bei VDH ≥ 8V und Ladungspumpen-Laststrom (ICPLOAD) gleich 10 mA
- Ladungspumpenausgang für den Antrieb eines externen n-MOSFET-Umpolungsschutzes verfügbar
- Programmierbarer Gate-Antriebsstrom (bis zu 170 mA) für die Steuerung der Ausgangsspannungs-Anstiegsrate
- Programmierbare Drain-Source-Überwachung für Überstromschutz und programmierbare Querstromschutzzeit (Totzeit)
- Erkennung von offener Last und Ausgangskurzschluss im ausgeschalteten Diagnosemodus
- SPI für Steuerung und Diagnose (ST SPI 4.1)
- Programmierbarer Diagnoseausgang
- 2 unabhängige Strommessverstärker
- Niedriger Offset mit extrem niedriger thermischer Drift
- Geeignet für High-Side-, Inline- und Low-Side-Stromsensoren
- Unabhängig programmierbare Gain (10x, 20x, 50x, 100x)
- Analogausgang zentriert bei VDD/2 oder VDD/22
- Übertemperatur-Vorwarnung und -Abschaltung
- Analoge und digitale Stromversorgungseingänge Über-/Unterspannungsschutz
- Asynchroner und logikunabhängiger ausfallsicherer Eingang zum Ausschalten aller MOSFETs
- Niedriger Ruhestrom
- Unterstützung für zufällige HW-Fehler bis zu ASIL B
- QFN32- (mit benetzbaren Flanken) oder TQFP32-Gehäuseoptionen (7 mm x 7 mm)
- RoHS-konformes Bauteil
Applikationen
- Sonnendächer
- Elektrische Kofferraum-Heckklappen
- Schiebetüren
- Fensterheber, Gurtvorspanner und vieles mehr
Blockdiagramm
Applikations-Schaltplan
