STMicroelectronics L9788 Multifunktions-IC
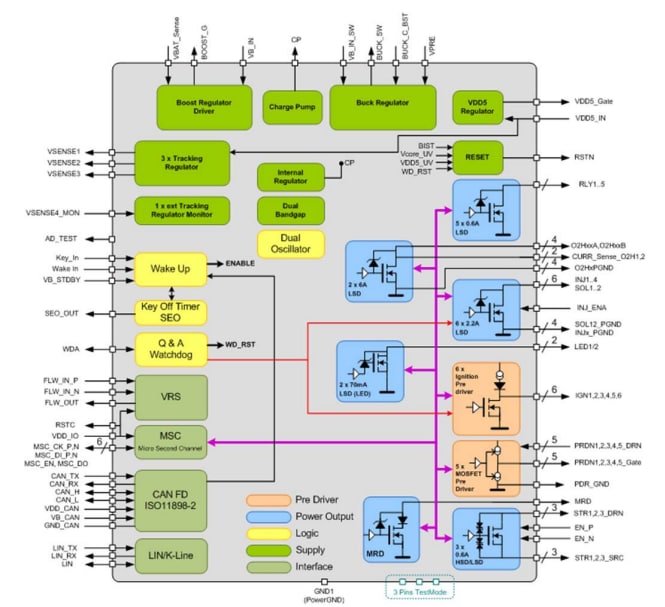
Der L9788 Multifunktions-IC von STMicroelectronics ist für Automotive-Motormanagementsysteme ausgelegt. Der L9788 PMIC nutzt die proprietäre BCD-Technologie von ST, die einen vollständigen Satz von Netzteilen und Signal-Vorverarbeitungsperipherie-Bauteilen bieten kann, die zur Steuerung eines internen Vierzylinder-Verbrennungsmotors erforderlich sind. Die L9788 Multifunktions-ICs sind AEC-Q100-qualifiziert und in einem LQFP-100-Gehäuse mit freiliegendem Pad untergebracht.Merkmale
- AEC-Q100-qualifiziert
- Für ISO26262-konformes System ausgelegt
- 1 Aufwärts-Vorregler und 1 Abwärts-Vorregler
- 5-V-Schaltlinearregler mit einem Ausgangsstrom von 1 A
- 3 unabhängige 5-V-Eigenschutz-Trackingregler mit einem Ausgang von 150 mA
- 1 Eingangsspannungs-Pin für die Überwachung eines externen Trackings
- Koordiniertes Soft-Start-Einschalten aller Regler
- 4 LS-Injektor-LS-Treiberkanäle
- 2 LS-Treiberkanäle für O2H-Last mit Strommessung
- 2 LS-Nockenwellen- oder Magnettreiber-Kanäle
- 5 LS-Relaistreiberkanäle
- 2 LS-LED-Treiberkanäle
- 3 LS/HS-Treiberkanäle mit niedriger Batteriefunktion für Smart-Start
- 1 LS-Hauptrelaistreiberkanal (MRD) mit einer internen Diode für den Batterieverpolungsschutz
- 5 Vortreiberkanäle für externe FET-Treiber
- Vortreiber 1 und 3 ist für die O2H-Last mit einem externen Messwiderstand (RShunt) auf der Quelle des externen n-Kanal-MOSFETs konfigurierbar
- 6 Vortreiberkanäle für interne und externe Zündtreiber
- 1 ISO9141-/LIN 2.1-konforme K-Leitung
- Integrierte Ladungspumpe
- VRS-Schnittstelle
- Watchdog
- Pin-Aktivierung
- Temperatursensor und -überwachung
- Stopp-Zähler mit Aktivierung
- Dual-Bandlückenreferenz und Oszillator
- Mikrosekunden-Kanal-MSC für einendigen Differentialmodus
- SEO-Funktion
- CAN-FD mit Aktivierung über CAN-Funktion
- LQFP100-Gehäuse mit freiliegendem Pad
Blockdiagramm
Veröffentlichungsdatum: 2019-08-14
| Aktualisiert: 2024-03-12
