STMicroelectronics STGIPQ4C60T-HZ SLLIMM-nano-IGBTs
STMicroelectronics STGIPQ4C60T-HZ SLLIMM Nano-IGBTs bieten einen kompakten Hochleistungs-AC-Motorantrieb und eine einfaches, robustes Design. Die STGIPQ4C60T-HZ IGBTs bestehen aus sechs verbesserten kurzschlussfesten Trench-Gate-Field-Stop-IGBTs mit Freilaufdioden und drei Halbbrücken-HVICs für den Gate-Antrieb. Dadurch werden niedrige elektromagnetische Störungseigenschaften (EMI) mit einer optimierten Schaltgeschwindigkeit ermöglicht.Das Gehäuse der STGIPQ4C60T-HZ SLLIMM-nano-IGBTs von STM ist für einen besseren und einfacheren anschraubbaren Kühlkörper ausgelegt und optimiert die thermische Leistungsfähigkeit und Kompaktheit in integrierten Motorapplikationen oder anderen stromsparenden Applikationen, bei denen der Montageplatz begrenzt ist. Das IPM enthält einen vollständig neutralen Operationsverstärker und einen Komparator, der für die Konstruktion einer schnellen und effizienten Schutzschaltung verwendet werden kann.
Merkmale
- IPM 6 A, 600 V, 3-Phasen-IGBT-Wechselrichterbrücke, einschließlich 2 Gate-Treiber-Steuer-ICs und Freilaufdioden
- 3,3 V, 5 V, 15 V TTL-/CMOS-Eingangskomparatoren mit Hysterese und Pull-Down/Pull-Up-Widerständen
- Integrierte Bootstrap-Diode
- Optimiert für geringe elektromagnetische Störung
- Unterspannungssperre
- Kurzschlussfester TGFS-IGBT
- Abschaltfunktion
- Verriegelungsfunktion
- Operationsverstärker für verbesserte Strommessung
- Komparator für Fehlerschutz gegen Überstrom
- Nennisolierung von 1.500 Vrms/Min
- NTC (UL 1434 CA 2 und 4)
- Bis zu ±2 kV ESD-Schutz (HBM C = 100 pF, R = 1,5 kΩ)
- UL-Zulassung: UL 1557, Datei E81734
Applikationen
- Dreiphasen-Wechselrichter für Motorantriebe
- Spülmaschinen
- Waschmaschinen
- Kompressoren für Kühlschränke
- Lüfter
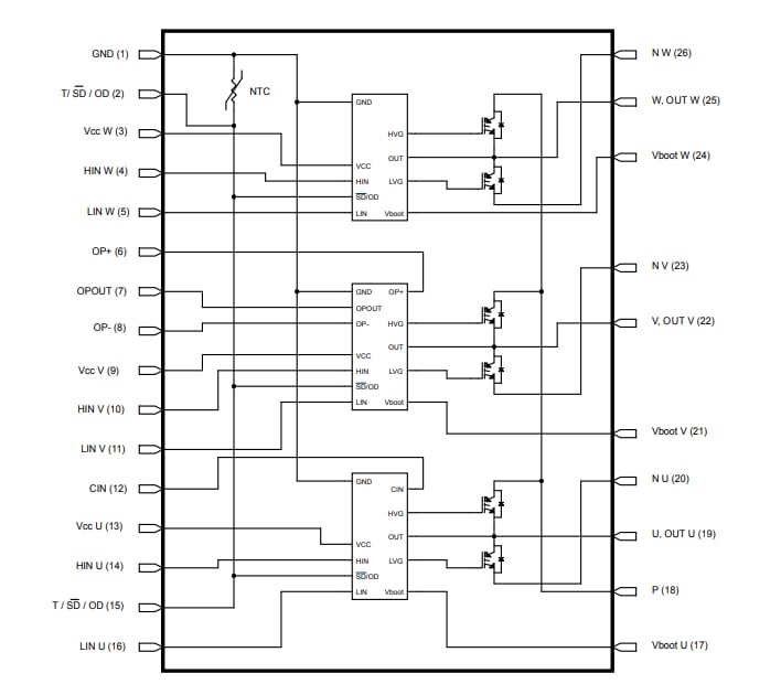
Internes Schaltplan-Diagramm
Veröffentlichungsdatum: 2021-03-08
| Aktualisiert: 2022-03-11
