STMicroelectronics L6982 Synchroner Abwärtswandler
Der L6982 synchrone Abwärtswandler von STMicroelectronics ist ein benutzerfreundlicher monolithischer Regler, der bis zu 2 A DC zu einer Last liefern kann. Der L6982 verfügt über einen großen Eingangsspannungsbereich von 3,5 V bis 38 V. Dadurch eignet sich das Bauteil hervorragend für eine große Auswahl von Applikationen.Der L6982 synchrone Abwärtswandler von STM bietet sowohl einen stromsparenden Modus (LCM) als auch eine Version mit rauscharmem Modus (LNM). Der LCM maximiert den Wirkungsgrad bei leichter Last mit einer gesteuerten Ausgangsspannungswelligkeit, sodass das Bauteil in batteriebetriebenen Applikationen eingesetzt werden kann. Der LNM hält die Schaltfrequenz konstant und reduziert die Welligkeit der Ausgangsspannung für Betriebsabläufe mit leichter Last und erfüllt dadurch die Spezifikation für rauscharme und rauschempfindliche Applikationen.
Der L6982 Wandler basiert auf einer Spitzenstrommodus-Architektur und ist in einem SO8-Gehäuse mit interner Kompensation verfügbar, wodurch die Design-Komplexität und die Größe reduziert werden.
Merkmale
- Betriebseingangsspannung: 3,5 V bis 38 V
- Ausgangsspannung: 0,85 V bis VIN
- 2 A DC-Ausgangsstrom
- Internes Kompensationsnetzwerk
- Zwei verschiedene Versionen: LCM für einen hohen Wirkungsgrad bei leichten Lasten und LNM für rauschempfindliche Applikationen
- Abschaltstrom: 2 μA
- Interner Soft-Start
- Freigabe
- Überspannungsschutz
- Sequentialisierung der Ausgangsspannung
- Thermischer Schutz
- Synchronisation mit externem Taktgeber für LNM-Bauteile
- SO-8L-Gehäuse
Applikationen
- Für Industrie-Leistungssysteme mit 24-V-Bussen ausgelegt
- Batteriebetriebene 24-V-Geräte
- Dezentralisierte intelligente Knoten
- Sensoren und Always-on-Applikationen
- Rauscharme Applikationen
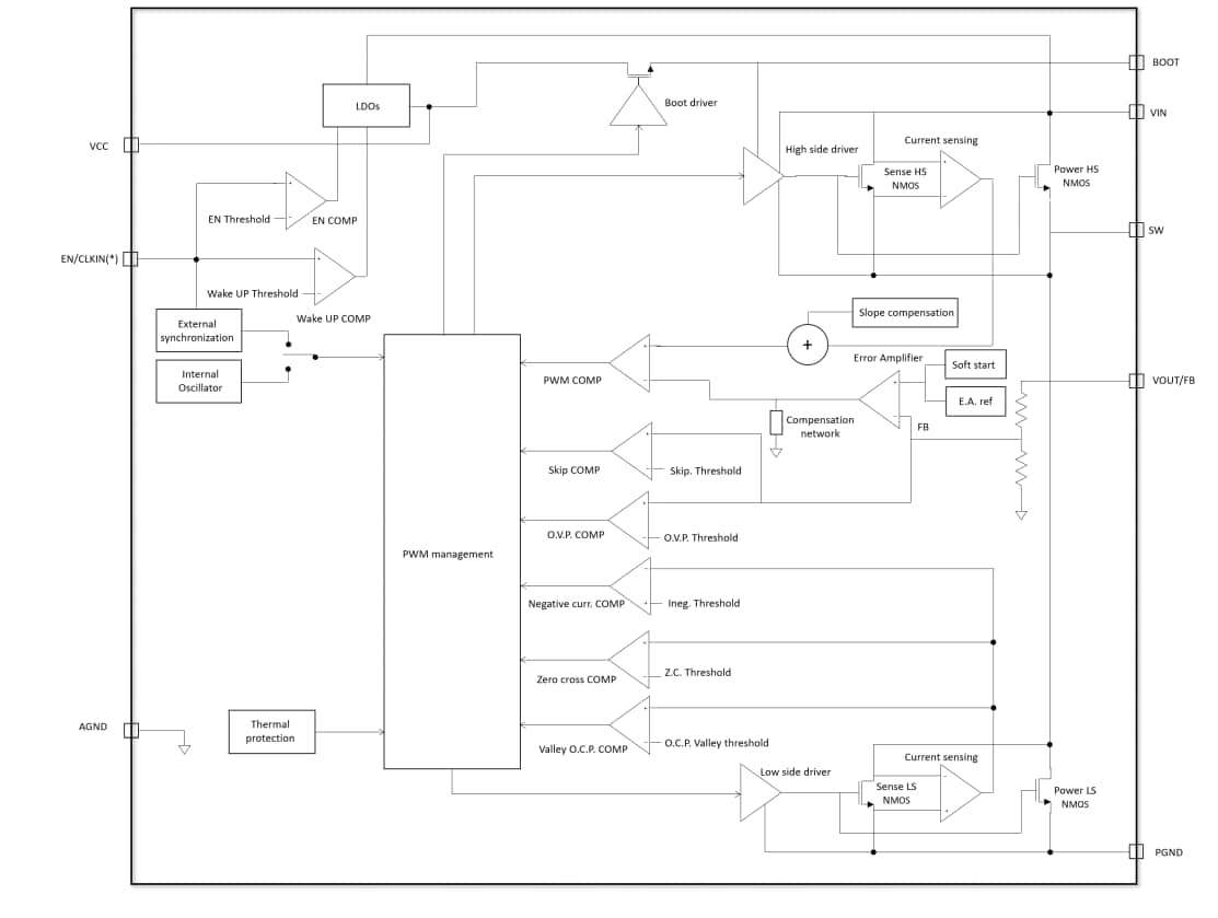
Blockdiagramm
Grundlegende Applikation (einstellbar)
