STMicroelectronics ACEPACK™ IGBT-Module
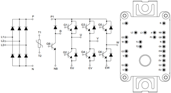
Die ACEPACK™ IGBT-Module von STMicroelectronics sind eine Produktfamilie von neuen Kunststoff-Leistungsmodulen, die für industrielle Applikationen und Energiemanagementlösungen ausgelegt sind. Die ACEPACK™-1- und ACEPACK™-2-Pakete werden sowohl mit CIB- (Wandler plus Inverter plus Brake) als auch Six-Pack-Topologien eingeführt, welche die fortschrittlichen Trench-Gate-Field-Stop-Technologien integrieren. Diese ACEPACK IGBT-Module verfügen über die Leistungsmodule ACEPACK 1 oder ACEPACK 2, einen integrierten negativen Temperaturkoeffizienten (NTC) und CIB- oder Six-Pack-Topologien.Diese Module decken den ordnungsgemäßen Einsatz der neuen IGBT-Technologie ab, indem zur Erhöhung des Wirkungsgrads um 20 kHz der beste Kompromiss zwischen Leitungs- und Schaltverlusten wiedergegeben wird. Diese IGBT-Module eignen sich hervorragend für den Einsatz in industriellen Motorantrieben, Sonnenkollektoren, Schweißen und Wechselrichtern.Merkmale
- ACEPACK™ 1 und ACEPACK™ 2 Leistungsmodule:
- Direct Bonded Copper (DBC) Cu Al2O3Cu
- CIB-Topologie (Wandler plus Inverter plus Brake):
- Sperrspannung: 1.600 V
- IGBTs und Dioden: 1.200 V, 25 A
- 1,95 VCE(sat) bei IC = 25 A
- Sanfte und schnelle Freilaufdiode
- Sixpack-Topologie:
- IGBTs und Dioden: 1.200 V, 35 A
- 1,95 VCE(sat) bei IC = 35 A
- Sanfte und schnelle Freilaufdiode
- Integrierter NTC
Applikationen
- Inverter
- Motorantriebe
- Sonnenkollektoren
- Schweißen
Videos
Veröffentlichungsdatum: 2018-01-02
| Aktualisiert: 2023-01-31
