Sensirion LD20-2600B Durchflusssensor
Der LD20-2600B Durchflusssensor von Sensirion ist zur bidirektionalen Messung von dynamischen Durchflussraten von wenigen Hundert μl/h bis zu 1.000 ml/h ausgelegt. Dieser leistungsstarke Einweg-Flüssigkeitssensor basiert auf der CMOSens® -Technologie. Der Sensor LD20-2600B verfügt über linearisierte, temperaturkompensierte und vollständig kalibrierte digitale Ausgangssignale (I2C). Dieser Flüssigkeitsdurchflusssensor bietet eine Genauigkeit von 5 % (H2O), eine Wiederholbarkeit von 0,5 % (H 2O), einen maximalen Versorgungsstrom von 6.000 μA und einen geraden, ungehinderten Durchflusskanal ohne bewegliche Teile. Zu den typischen Applikationen gehören fortschrittliche Infusionstherapie, biopharmazeutische Prozesse, tragbare Medikamentenabgabesysteme und häusliche Pflege.Die LD20 Basisstation wird zur Evaluierung und Überprüfung des LD20-2600B Durchflusssensors verwendet. Der Anschlussblock hält den Sensor mechanisch über einen Clip-in-Mechanismus in Position und stellt eine elektrische Schnittstelle zwischen den Kontaktflächen des Sensors und einem PC dar.
Der POGO-Pin ist eine federbelastete Prüfspitze, die mit dem Flüssigkeitsdurchflusssensor LD20-2600B und der LD20-Basisstation verwendet werden kann.
Merkmale
- Misst die Durchflussrate von wenigen Hundert μl/h bis zu 1000 ml/h bidirektional
- Basiert auf der CMOSens® -Technologie
- Schnelle und zuverlässige Erkennung:
- Luft-in-der-Leitung
- Freier Fluss
- Okklusion
- Linearisiertes, temperaturkompensiertes und vollständig kalibriertes digitales Ausgangssignal (I2C)
- Geringer Stromverbrauch für batteriebetriebene Applikationen
- Medienisoliert
- I2C- und RS485-Schnittstelle
- Hohe Zuverlässigkeit und langfristige Stabilität
- Gerader, ungehinderter Strömungskanal ohne bewegliche Teile
- Medizinisch geprüfte und chemisch beständige benetzte Materialien
Applikationen
- Chirurgische Instrumente
- Intensivmedizin und häusliche Pflege
- Kontinuierliche Harnflussmessung
- Tragbare Geräte zur Medikamentenverabreichung
- Fortgeschrittene Infusionstherapie
- Biopharmazeutische Prozesse
Technische Daten
- 5 % Genauigkeit (H2O)
- 0,5 % Wiederholbarkeit (H2O)
- 3 bar maximaler Betriebsdruck
- Versorgungsspannungsbereich 3,2 V bis 3,8 V
- Maximaler Versorgungsstrom 6.000 μA
- Betriebstemperaturbereich 5 °C bis 45 °C
- 0 % rF bis 95 % rF Betriebsfeuchtebereich (nicht kondensierend)
Videos
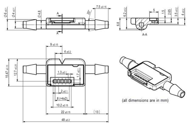
Mechanisches Diagramm
Verwandtes Development Tool
Veröffentlichungsdatum: 2023-10-11
| Aktualisiert: 2024-07-04
