Qorvo QPC6742 HF-Schalter-IC
Der Qorvo QPC6742 HF-Schalter-IC ist ein einpoliger vierstufiger (SP4T) 75-Ω-Silizium-On-Isolatorschalter (SOI). Der QPC6742 HF-Schalter-IC ist für den Einsatz in CATV, Satelliten-Set-Tops und weiteren leistungsstarken Kommunikationssystemen ausgelegt. Dieser QPC6742 Schalter-IC bietet eine symmetrische Topologie mit hoher Isolierung, einer ausgezeichneten Linearität und einer hervorragenden Strombelastbarkeit. Der QPC6742 IC benötigt keine Sperrkondensatoren auf den HF-Anschlüssen. Dieser QPC6742 Schalter-IC arbeitet bei einem Frequenzbereich von 5 MHz bis 2.000 MHz. Zu den Applikationen gehören MDU-Verstärker, Punkt-zu-Punkt, optische Knoten, Set-Top-Box, PCTV und Multi-Tuner-DVR.Merkmale
- Betrieb von 5 MHz bis 2.000 MHz
- 0,35 dB bei 800 MHz niedrige Einfügungsdämpfung
- Keine Sperrkondensatoren erforderlich, außer HF-Leitung steht unter Spannung
- Hohe Isolierung: 34 dB bei 800 MHz
- Hoher Eingangs-IP3: 82 dBm bei 850 MHz
- 2 kV ESD
- Kompatibel mit +1,8V-Logik
- Betrieb bei 3 V bis 5 V
Applikationen
- MDU-Verstärker
- Punkt-zu-Punkt
- Optische Knoten
- Set-Top-Box
- PCTV
- Multi-Tuner-DVR
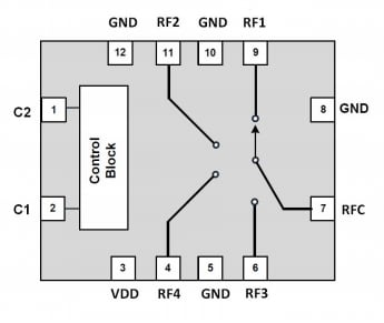
Funktionales Blockdiagramm QPC6742 HF-Schalter-IC
Typische Leistungsmerkmale
Weitere Ressourcen
Veröffentlichungsdatum: 2018-03-15
| Aktualisiert: 2023-01-30
