Qorvo CMD307P3 Rauscharmer 8-GHz - bis 16-GHz-Verstärker
Der rauscharme 8- bis 16-GHz-Verstärker CMD307P3 von Qorvo ist ein Breitband-MMIC in einem bleifreien 3 mm x 3 mm großen Kunststoffgehäuse für die Oberflächenmontage. Der CMD307P3 von Qorvo eignet sich hervorragend für Kommunikationssysteme, die eine kleine Größe und einen geringen Stromverbrauch erfordern. Das Bauteil wird von 8 GHz bis 16 GHz betrieben und liefert eine Verstärkung von mehr als 17 dB mit einem entsprechenden 1-dB-Ausgangs-Kompressionspunkt von +12 dBm und einem Rauschfaktor von 2 dB. Der CMD307P3 ist ein 50-Ω -angepasstes Design, das externe DC-Blöcke und eine HF-Anschlussanpassung überflüssig macht.Merkmale
- Niedriger Rauschfaktor
- Geringe Stromaufnahme
- Positive Versorgungsspannung
- Bleifrei (RoHS-konform)
- 3 mm x 3 mm QFN-Gehäuse
Applikationen
- Elektronische Kriegsführungssysteme (EW)
- Radar
- X-Band
- Ku-Band
- Raumfahrt
- Satellitenkommunikation (Satcom)
- Phasige Arrays
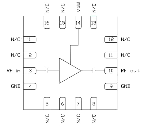
Blockdiagramm
Veröffentlichungsdatum: 2020-03-24
| Aktualisiert: 2024-08-20
