onsemi NCP1680 CrM-Totem-Pole-PFC-Controller-ICs
onsemi NCP1680 Critical-Conduction-Mode(CrM)-Totem-Pole-Blindleistungskompensations(PFC)-Controller-ICs sind zur Ansteuerung der brückenlosen Totem-Pole-PFC-Topologie ausgelegt. Der brückenlose Totem-Pole-PFC besteht aus zwei Totem-Pole-Zweigen: ein schnell schaltender Zweig, der mit der PWM-Schaltfrequenz betrieben wird, und einen zweiten Zweig, der mit der AC-Netzfrequenz arbeitet. Bei dieser Topologie entfällt die Diodenbrücke am Eingang einer herkömmlichen PFC-Schaltung, was zu einer erheblichen Verbesserung des Wirkungsgrads und der Leistungsdichte führt.Ein intern kompensierter digitaler Regelkreis unterstützt eine CCM-Architektur mit konstanter Einschaltzeit und Valley Switching. Die zyklusweise Strombegrenzung wird ohne Hall-Effekt-Sensor realisiert. Die NCP1680 Bauelemente arbeiten im Bereich von 90 VAC bis 265 VAC bei bis zu 350 W. Bei 300 W und einem 230-VAC-Stromnetzeingang ist ein Wirkungsgrad von bis zu 99 % erreichbar. Diese Bauteile im SOIC-16-Gehäuse sind mit Energieeffizienzvorschrift konform und blei- und halogenfrei. Die NCP1680 Controller-ICs von onsemi eignen sich hervorragend für den Einsatz in Blindleistungskompensations- und Offline-Netzteil-Applikationen.
Merkmale
- Totem-Pole-PFC-Topologie macht eine Diodenbrücke am Eingang überflüssig
- Betrieb im Critical Conduction Mode (CRM)
- Discontinuous Conduction Mode (DCM) mit Valley-synchronem Einschalten während Leichtlastbedingungen.
- Frequenz-Foldback-Betrieb in DCM mit Minimalfrequenz von 25 kHz
- Skip-Modus unter sehr leichten Lastbedingungen
- Proprietäres Strommessschema
- Digitale Spannungsschleifenkompensation
- AC-Leistungsüberwachungsschaltung
- AC-Phasenerkennung
- Nahezu einheitlicher Leistungsfaktor in allen Betriebsarten
- PFC-OK-Anzeige
- Optimierte Leistung auf allen Leistungsebenen
- SOIC-16-Gehäuseausführung
- Feuchteempfindlichkeit (MSL) 1
- Blei- und halogenfrei
Applikationen
- Industrienetzteile
- 5G-Leistung in Telekommunikationsanlagen
- Netzwerkleistung
- Spielkonsolen-Netzteile
- Netzteile für UHD-Fernseher
- Computer
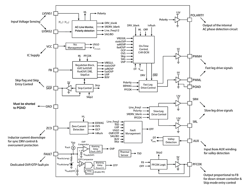
Blockdiagramm
Veröffentlichungsdatum: 2021-06-24
| Aktualisiert: 2025-03-04
