Nisshinbo NL9620 Precision Instrumentation Amplifiers
Nisshinbo NL9620 Precision Instrumentation Amplifiers are high-precision, low-power instrumentation amplifiers designed for applications requiring accurate signal amplification with minimal noise and drift. Featuring a low input offset voltage of 125µV (maximum at +25°C) and a low input bias current of 2nA (maximum), the NL9620 ensures excellent DC accuracy, making it ideal for sensor signal conditioning, medical instrumentation, and industrial measurement systems. The Nisshinbo NL9620 supports a wide supply voltage range from ±2.3V to ±18V, and offers a gain range from 1 to 10,000, configurable via external resistors. With a high common-mode rejection ratio (CMRR) of 110dB (minimum) and rail-to-rail output, the NL9620 amplifiers deliver robust performance even in noisy environments. Available in a VSP-8-AF or an EMP-8-AN package, combined with low power consumption, further enhances suitability for precision analog front-end designs in space-constrained and power-sensitive applications.
Features
- Gain set with one external resistor, 1 to 10K gain range
- Low input offset voltage
- 125μV maximum at +25°C
- 185μV maximum within a -40°C to +85°C range
- 1μV/°C maximum input offset voltage drift
- 2nA maximum input bias current
- 0.9mA typical supply current, 1.3mA maximum
- 110dB minimum common-mode rejection ratio (at G = 100)
- ±2.3V to ±18V supply voltage range
- Integrated EMI filter
- 13nV/√Hz maximum voltage noise (f = 1kHz)
- 120kHz typical -3dB bandwidth (G = 100)
- 0.75V/μs minimum slew rate
- Bipolar architecture
- -40°C to +85°C specified operating temperature range
- Package options
- VSP-8-AF (2.9mm x 4.0mm x 1.1mm)
- EMP-8-AN (5.0mm x 6.0mm x 1.5mm)
- Sn2Bi plating composition
- Halogen free and RoHS compliant
Applications
- Battery-powered equipment
- Sensor interfaces (strain gauges, flow meters, and pressure sensors)
- Sensor signal conditioning
- Precision analog front-ends
- Transducer interfaces
- Weigh scales
- Medical instrumentation
- Industrial measurement systems
Videos
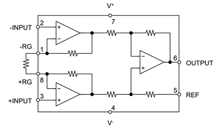
Block Diagram
Internal Block Diagram
