Monolithic Power Systems (MPS) TBMA Test Boards for MagAlpha™ Sensors
Monolithic Power Systems (MPS) TBMA Test Boards for MagAlpha™ Sensors come in two versions, round (RD) and long (LT), allowing users to run and test MagAlpha sensors quickly. In the RD format, the sensor is mounted in an end-of shaft configuration. In the LT format, the sensor is mounted on the edge of the board and can be used in both side-shaft and end-of-shaft configurations.The MPS TBMA Test Boards are compatible with the MACOM Evaluation Kit, offering seamless connection and operation of MagAlpha sensors. The combination enables MagAlpha functionalities and performances to be evaluated in the user's personal setup.
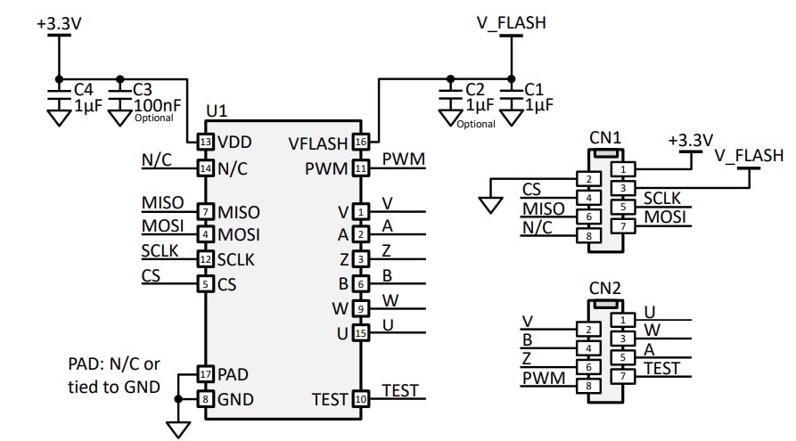
The TBMA Test Boards only include the assembled board with the sensor and decoupling capacitors. Connectors are not included.
Features
- Round board format for end-of-shaft mounting
- Long board format for side shaft and end-of-shaft mounting
- Compatible with the MagAlpha
- Communication interface kit (EVKTMACOM)
Applications
- Servo Drives
- Robotics
- Automotive
- BLDC Motor Commutation
- Encoders
Videos
Additional Resources
- Using MagAlpha Devices to Sense BLDC Rotor Position
- Using the MagAlpha in Off-Axis Mounting
- Using MagAlpha Devices to Replace Optical Encoders
- Using the MagAlpha Serial Interface Advanced Features
- Selecting the Right Magnet for the MagAlpha in End-of-Shaft Mounting
- Linearity in Side-Shaft Configuration
- Magnetic Simulation Tool
Board Contents
Round Board Overview
Long Board Overview
RD/LT Type 1 Schematic
Veröffentlichungsdatum: 2021-07-09
| Aktualisiert: 2025-07-02
