Microchip Technology UCS4003 USB-Type-C®-Power-Delivery-Anschluss-Schutzvorrichtungen
Die UCS4003 USB-Typ-C-® -Power-Delivery-Anschluss-Schutzvorrichtungen von Microchip Technology sind für den Konfigurationskanal (CC) und D +, D- (Datenleitungen) ausgelegt. Die CC, D +, D- und SG _ SENS (Kurzschluss-zu-GND) sind ESD-geschützt, um IEC 61000-4-2 und ISO 10605 zu erfüllen. Der UCS4003 von Microchip bietet eine Kurzschluss-zu-Batterie-Sicherung auf CC, D + und D-. Darüber hinaus bietet das Bauteil einen Batterie-Kurzschluss-zu-GND-Schutz für den Ladeanschluss. Darüber hinaus ist es konfigurierbar, die Fehlernummer im Falle eines Fehlers außer D +/D- oder CC-Überspannung zu aktivieren.Merkmale
- AEC-Q100 für Automobilanwendungen qualifiziert
- Kurzschluss-zu-Batterie-Schutz auf D +, D- und CC (24 V DC)
- Batterie-Kurzschluss-zu-GND-Schutz für Ladeanschluss
- Fehlererkennungs-Konfigurierbarkeit
- Unterstützt Power-Delivery-Protokoll
- IEC 61000-4-2 und ISO 10605 ESD-Schutz auf D +, D-, CC und SG _ SENS
- Übertemperaturschutz (thermische Abschaltung)
- -40 °C bis +125 °C Temperaturbereich
Applikationen
- USB-Typ-C-Power-Delivery
- Verbraucher-, Industrie- und Automotive-Schutz
Blockdiagramm
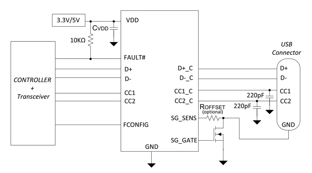
Typische Applikation
Gehäusetyp
Veröffentlichungsdatum: 2025-03-26
| Aktualisiert: 2025-04-07
