Microchip PIC18Fx K40 Hochleistungs-Mikrocontroller

Microchip PIC18Fx K40
Hochleistungs-Mikrocontroller

Die Hochleistungs-Mikrocontroller PIC18Fx K40 von Microchip Technology kombinieren einen großen Flash-/EE-/RAM-Speicher, eine umfassende Peripherieintegration, XLP- und 5V-Unterstützung für eine Vielzahl von Mehrzweck-Applikationen. Diese 28/40/44-poligen Geräte liefern kernunabhängige Peripherien wie CWG, WWDT, CRC/Speicherscan, Hardware-CVD, Zero-Cross-Erfassung und periphere Kontaktauswahl. Dies sorgt für mehr Flexibilität beim Design und geringere Systemkosten.

Merkmale
  • C-Compiler optimierte RISC-Architektur
  • Nur 83 Anweisungen
  • Betriebsgeschwindigkeit:
  • Gleichstrom – 64 MHz Takteingang
  • Min. 62,5 ns Befehlszyklus
  • Programmierbare Interrupt-Priorität auf 2-Ebenen
  • 31-Level Deep-Hardware-Stack
  • 8-Bit-Timer (TMR2/4/6) mit Hardware-Limit-Timer (HLT)
  • Vier 16-Bit-Timer (TMR0/1/3/5)
  • Einschalt-Reset (POR) mit geringem Stromverbrauch

  • Power-up-Timer (PWRT)
  • Spannungsabfall-Wiedereinschaltung (Brown-Out Reset (BOR))
  • Niedrigstrom-BOR-Option (LPBOR)
  • Programmierbarer Code-Schutz
  • Watchdog-Timer mit Fenster (WWDT):
  • Timer-Überwachung von Überlauf- und Unterlaufereignissen
  • Variable Vorteilerauswahl
  • Variable Fenstergrößenauswahl
  • Alle Quellen sind in der Hardware oder Software konfigurierbar
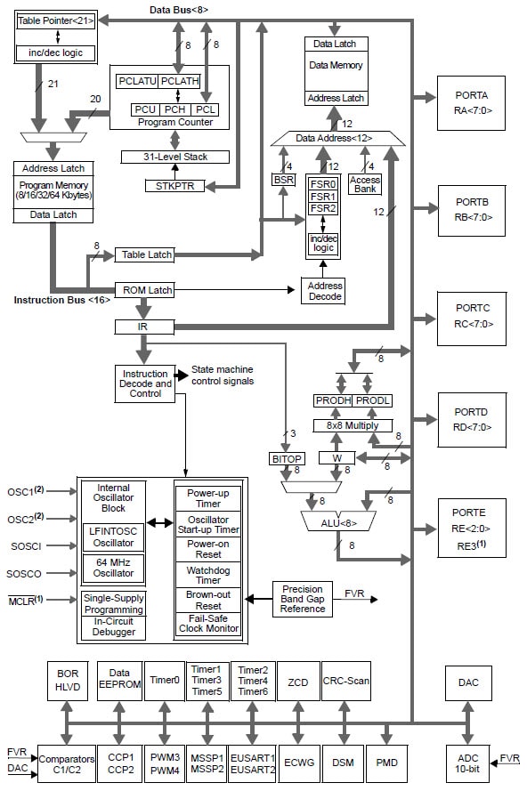
Blockdiagramm
Blockdiagramm
eNews
  • Microchip Technology
Veröffentlichungsdatum: 2017-03-06 | Aktualisiert: 2017-03-06