MACOM MASW-011102 SPDT Non-Reflective GaAs RF Switch
MACOM MASW-011102 Low-Power SPDT Non-Reflective GaAs RF Switch supports broadband operation from DC to 30GHz, with a low insertion loss of 1.8dB and high isolation of 40dB at 30GHz. The device utilizes MACOM’s patented low gate-lag GaAs process to deliver uncompromising performance and fast switching speeds of up to 40ns. The switch is offered in a lead-free, 3mm2, 14-lead PQFN plastic package and is fabricated using a robust process containing full surface passivation to ensure the highest performance and reliability. The MASW-011102 is optimized for applications spanning test and measurement, EW, and broadband communication systems.Features
- Broadband performance
- Low 1.6dB insertion loss
- 30dB high isolation
- Fast 12ns switching speed
- Reflective configuration
- Ultra-low DC power consumption
- 3mm2 14-lead PQFN package
- Lead-free and RoHS-compliant
Applications
- Test and measurement
- EW/broadband communication systems
Specifications
- 17.7GHz to 31.0GHz frequency range
- 8.5V maximum control voltage
- 25dB maximum input power
- 2.0dB maximum insertion loss, 1.6dB typical
- 25dB minimum isolation, 30dB typical
- 0.1dB typical port amplitude imbalance
- 5° typical port phase imbalance
- 15dB typical return loss
- 60ns typical settling time
- 2µA maximum control current (complementary logic), 1µA typical
- -40°C to +85°C operating temperature range
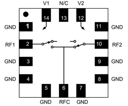
Functional Schematic
Veröffentlichungsdatum: 2019-11-05
| Aktualisiert: 2023-09-07
