MACOM CMPA2735030S 30-W-GaN-MMIC-Leistungsverstärker
Der CMPA2735030S 30-W-GaN-MMIC-Leistungsverstärker mit 2,7 GHz bis 3,5 GHz von Wolfspeed ist ein High-Electron-Mobility-Transistor (HEMT), der auf dem monolithischen Mikrowellen-integrierten Schaltkreis (MMIC) basiert. Verglichen mit Silizium oder Galliumarsenid bietet der CMPA273503S Gallium-Nitrid(GaN)-Verstärker überlegene Eigenschaften, einschließlich höhere Durchschlagspannung, höhere gesättigte Elektronengeschwindigkeit und höhere Wärmeleitfähigkeit. Darüber hinaus bieten die GaN-HEMTs eine höhere Leistungsdichte und höhere Bandbreiten im Vergleich zu Si- und GaAs-Transistoren.Der CMPA2735030S 30W GaN MMIC Leistungsverstärker von Wolfspeed verfügt über ein zweistufiges, reaktiv angepasstes Verstärkerdesign, das eine hohe Leistung und zusätzliche Effizienz in einem 5 mm x 5 mm großen, oberflächenmontierten (QFN) Gehäuse ermöglicht.
Merkmale
- Kleinsignal-Gain von 32 dB
- Betrieb bis zu 50 V
- Hohe Durchschlagspannung
- Hohe Betriebstemperatur
- Gesamtgröße des Produkts: 5 mm x 5 mm
Applikationen
- Gepulste Radarverstärker
- Zivil
- Militär
Spezifikationstabelle
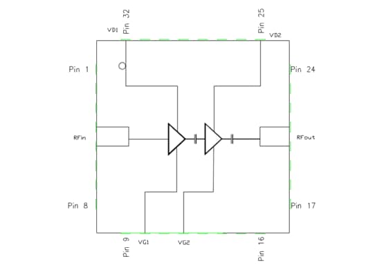
Applikations-Schaltplan
Veröffentlichungsdatum: 2021-09-10
| Aktualisiert: 2024-01-17
