Littelfuse SP4065 TVS Diode Arrays
Littelfuse SP4065 TVS Diode Array (SPA® Diodes) integrates low capacitance diodes with an additional zener diode to protect each I/O pin against ESD and high surge events. The robust SP4065 from Littelfuse can safely absorb up to 20A per IEC61000-4-5 (tp = 8/20µs) without performance degradation and a minimum ±30kV ESD per IEC61000-4-2 international standard. This device can also protect high speed signal pins due to low loading capacitance. Designed for lightning protection, the SP4065 is automotive qualified to AEC-Q101.Features
- ESD, IEC61000-4-2, ±30kV contact, ±30V air
- EFT, IEC61000-4-4, 40A (5/50ns)
- Lightning, IEC61000-4-5, 20A (8/20µs)
- Low capacitance of 4.4pF (TYP) per I/O
- Low leakage current of 1µA (MAX) at 3.3V
- AEC-Q101 qualified
Applications
- LCD/PD TVs
- Desktops
- Game consoles
- Set top boxes
- Notebooks
- 1Gb ethernet
- Network hardware
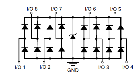
Block Diagram
Application Example
Veröffentlichungsdatum: 2014-04-17
| Aktualisiert: 2022-03-11
