Littelfuse CPC2501M Halbleiterrelais

Das CPC2501M Halbleiterrelais von Littelfuse  enthält einen normalerweise geschlossenen (1-Form-B) Halbleiterrelais-Schalter mit einem integrierten Schaltkreis. Diese Schaltung ist speziell zur Steuerung und Verwaltung des Relaiszustands basierend auf der angelegten Spannung ausgelegt. Das CPC2501M wird zu einem selbsttätigen und nicht-isolierten Halbleiterrelais mit Klingel-Bypass-Funktion, um einen ordnungsgemäßen Video- und Klingel-Betrieb während der Konfiguration der Video-Türklingel zu gewährleisten. Darüber hinaus bietet das Relais eine hervorragende Belastbarkeit von 2,5 W, eine schnelle Reaktionszeit von 170µs, eine Fehlerschutzschaltung und einen Dauerlaststrom von 1,84 A. Das CPC2501M Halbleiterrelais wird in Applikationen wie z. B. Türklingel-Bypass, Gebäudeautomatisierung, Internet of Things (IoT), Sicherheit und spannungsgesteuerte Relais verwendet.

Merkmale

  • 1-Form-B-Relais (normalerweise geschlossen)
  • Interne Steuerschaltung:
    • Selbsttätig
    • Fehlerschutz-Timer
  • 600 mW maximaler Einschaltwiderstand bei 25 °C
  • 60 V Spitzen-AC- oder DC-Lastspannung
  • Laststrom:
    • 1,84 ARMS ununterbrochen
    • 5 A (Spitze)
  • 170 μs (max.) schnelles Einschalten
  • Kleines, thermisch verbessertes 6 mm x 6 mm-QFN-Gehäuse

Applikationen

  • Video-Türklingel
  • Türklingel-Bypass
  • Gebäudeautomation
  • Internet der Dinge (IoT)
  • Sicherheit
  • Spannungsgesteuertes Relais

Typische Video-Türklingel-Applikationsschaltung

Applikations-Schaltungsdiagramm - Littelfuse CPC2501M Halbleiterrelais

Funktionales Blockdiagramm

Blockdiagramm - Littelfuse CPC2501M Halbleiterrelais

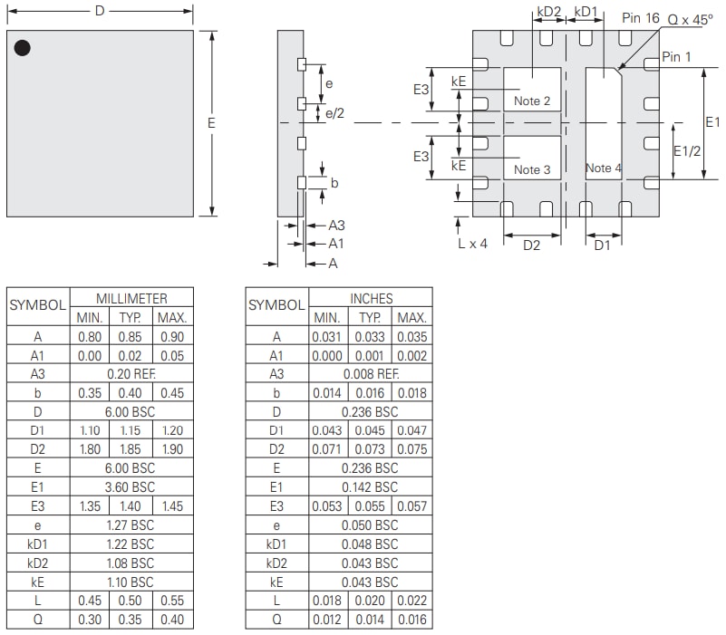
Abmessungen

Technische Zeichnung - Littelfuse CPC2501M Halbleiterrelais
Veröffentlichungsdatum: 2025-05-02 | Aktualisiert: 2025-05-22