Diodes Incorporated ZXMS81045SP IntelliFET® High-Side-Leistungsschalter
Der Diodes Incorporated ZXMS81045SP IntelliFET® High-Side-Schalter kombiniert Schutz- und Diagnosefunktionen in einem freiliegenden SO-8EP-Kühlkörpergehäuse (Typ E). Der ZXMS81045SP bietet einen monolithischen vertikalen n-Kanal-Leistungs-MOSFET mit integrierten Temperatur- und Stromsensoren mit einer ladungsgepumpten Gate-Versorgung. Das Bauteil verfügt über einen aand. Der Schalter wird durch einen aktiven hohen Logikpegelantrieb von 3,3 V und 5 V zu den Eingängen aktiviert.Der ZXMS81045SP von Diodes Inc hat einen Diagnose-Strommessausgang, der proportional zum Laststrom ist und gibt ein definiertes Diagnosefehlersignal bei Überlastbetrieb, Übertemperatur, Kurzschluss oder offenen Lastbedingungen aus.
Merkmale
- Schutzfunktionen
- Batterieverpolungsschutz mit externen Komponenten
- Spannungsabhängige Strombegrenzung
- Übertemperaturschutz mit automatischem Neustart
- Überspannungsschutz, einschließlich Lastabwurf
- Stabiler Unterspannungsschutz
- ESD-Schutz
- Verlust des Erdungsschutzes mit externen Komponenten
- Verbesserter Kurzschlussschutz
- Definiertes Fehlersignal bei Überlastbetrieb, Übertemperatur oder Kurzschluss
- Diagnosefunktionen
- Proportionaler Laststrommessausgang
- Lineare Spannungsabfallregelung, um die Messgenauigkeit auch bei sehr niedrigen Lastströmen aufrechtzuerhalten
- Aktiviert durch einen Logik-Eingang
- Definierte Temperatur- und Stromabhängigkeit
- Erkennung von offenen Lasten
- Verwendung der Laststrommessung im EIN-Zustand
- Verwendung der Ausgangsspannungserkennung im AUS-Zustand
- Proportionaler Laststrommessausgang
Applikationen
- High-Side-Schaltung mit Diagnose-Feedback für:
- 12 V geerdete Lasten
- Ohmsche, induktive und kapazitive Lasten
- Geeignet für hohe Einschaltstromlasten
- Glühlampen (P27W/P21W), Motoren usw.
- Kompakter stromsparender Ersatz für:
- Relais, Sicherungen und diskrete Schaltungen
Technische Daten
- 5 V bis 28 V Betriebsspannung
- Maximale Versorgungsspannung: 41 V
- Maximaler ON-Widerstand: 90 mΩ, TJ = +150 °C
- Nennlaststrom: 4 A
- Typisches Strommessverhältnis: 1200
- Mindeststrombegrenzung: 25 A
- Maximaler Standby-Strom: 0,5 µA, TJ = +25 °C
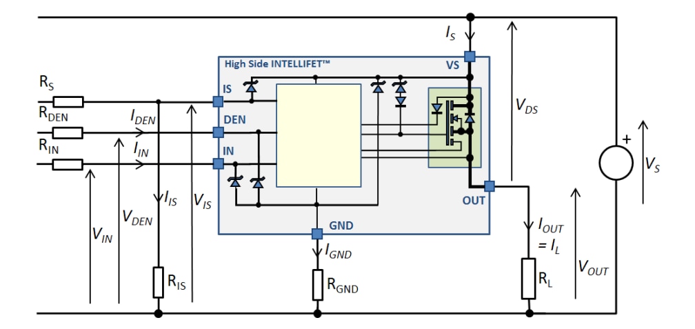
Typische Applikations-Schaltung
Funktionales Blockdiagramm
Veröffentlichungsdatum: 2023-03-29
| Aktualisiert: 2023-03-31
