Diodes Incorporated AH49FQ Hall-Effekt-Sensor

Der Diodes Incorporated AH49FQ Hall-Effekt-Sensor ist ein kleiner und vielseitiger linearer Hall-Effekt-Sensor, der vom Magnetfeld eines Permanentmagneten oder Elektromagneten betrieben wird. Dieser Sensor enthält eine rauscharme Ausgangsschaltung, die externe Filterkomponenten überflüssig macht. Die Versorgungsspannung legt den Ausgangsausgang   des AH49FQ Sensors fest und variiert proportional zur Stärke des Magnetfelds. Dieser Sensor enthält Präzisionswiderstände, um eine erhöhte Temperaturstabilität und Genauigkeit zu erreichen. Der AH49FQ Hall-Effekt-Sensor wird bei der Positionserkennung, Füllstandsmessung, Gewichtsmessung, Eisenmetalldetektoren, Drehgebern, magnetischen Codeablesungen und Stromsensoren verwendet.

Merkmale

  • 3 mA Stromverbrauch bei VCC= 5V für Energieeffizienz
  • Einzelstromquellenausgang
  • Linearer Spannungsausgang für Flexibilität beim Schaltungsdesign
  • Der rauscharme Ausgang macht eine Filterung praktisch überflüssig
  • Stabiler und genauer Ausgang
  • Betriebstemperaturbereich: -40 °C bis +105 °C
  • Reagiert entweder auf positive oder negative Gauß
  • Bis zu 50 V maximale, sofortige Versorgungsspannung
  • Hohe ESD-Bewertung:
    • 3000 V (Human-Body-Modell)
    • 2000 V (Charged-Device-Modell)
  • Kleines SC59-Gehäuse mit niedrigem Profil
  • Qualifiziert nach AEC-Q100 Klasse 2
  • Bleifrei und RoHS-konform
  • Halogen- und antimonfreies, umweltfreundliches Bauteil

Applikationen

  • Positionserkennung
  • Flüssigkeitsstand-Erkennung
  • Gewichtsmessung
  • Eisenmetalldetektoren
  • Vibrationserkennung
  • Drehgeber
  • Magnetische Code-Ablesung
  • Motorsteuerungen
  • Strommessung

Funktionales Blockdiagramm

Blockdiagramm - Diodes Incorporated AH49FQ Hall-Effekt-Sensor

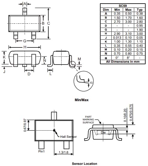
Gehäuseaußenabmessungen

Technische Zeichnung - Diodes Incorporated AH49FQ Hall-Effekt-Sensor
Veröffentlichungsdatum: 2023-06-13 | Aktualisiert: 2024-05-16