Bourns PER56 Inkremental-Encoder mit langer Lebensdauer
Der Bourns PER56 Inkrementalring-Encoder mit langer Lebensdauer verfügt über einen Gehäusedurchmesser von 56 mm mit einer Schaltungskompatibilität von 10 mA bei 5 VDC und einem 2-Bit-Quadratur-Code-Ausgang. Dieser Inkremental-Encoder mit niedrigem Profil bietet eine Ringschnittstelle, welche die Beleuchtung oder die Installation von weiteren Bauelementen in der Mitte ermöglicht. Der PER56 bietet eine haptische Einrastrückmeldung, eine Durchsteckmontageart und bietet eine Abdichtung der IP40-Schutzart. Weitere Merkmale umfassen einen Drehzyklus von 50.000, einen Auflösungsbereich von 15 PPR, eine maximale Drehzahl von 60 U/min und einen Betriebstemperaturbereich von -20 °C bis +70 °C. Der PER56 Inkrementalring-Encoder mit langer Lebensdauer von Bourns ist für den Einsatz in professionellen Audio- und Beleuchtungsapplikationen, medizinischen und Laborausrüstungen mit geringem/mittlerem Risiko sowie Industrieautomatisierungssteuerungen und weiteren Applikationen ausgelegt, bei denen ein Menüauswahl-Encoder erforderlich ist.Merkmale
- Inkremental-Encoder mit niedrigem Profil und einem Gehäusedurchmesser von 56 mm
- THT-Montageart
- Haptische Einrastrückmeldung
- Abdichtung gemäß IP40-Schutzart
- RoHS-konform
Applikationen
- Professionelle Lichtorgeln
- Verbraucher-Weißware
- Medizintechnik- und Diagnosegeräte mit geringem/mittlerem Risiko
- Prüf- und Messgeräte
- Kommunikationsgeräte
- Laborausrüstung
- Industrieautomatisierungssteuerungen
Technische Daten
- Lebensdauer von 50.000 Umdrehungszyklen
- Auflösungsbereich: 15 PPR
- Maximale Drehzahl: 60 U/min
- Schaltungskompatibilität: 10 mA bei 5 VDC
- 2-Bit-Quadratur-Code-Ausgang
- Betriebstemperaturbereich: -20 °C bis +70 °C
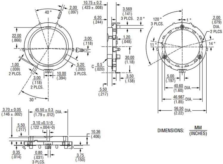
Abmessungen
Veröffentlichungsdatum: 2021-04-28
| Aktualisiert: 2022-03-11
