Analog Devices / Maxim Integrated MAX25222C Automotive-Vierkanal-TFT-LCD-Netzteil
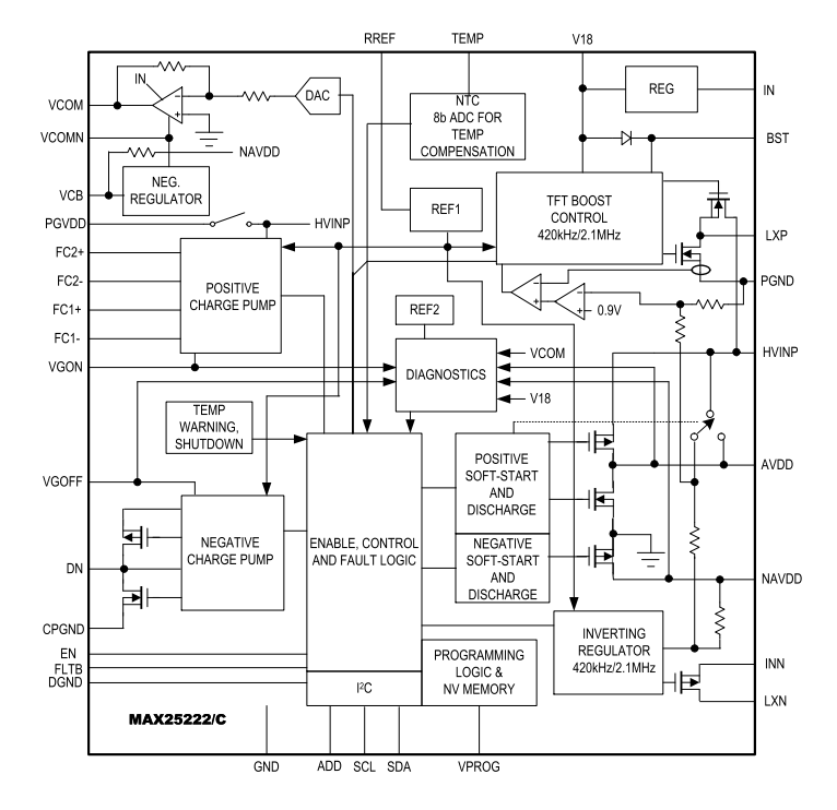
Das Analog Devices MAX25222C Automotive-Vierkanal-TFT-LCD-Netzteil liefert symmetrische positive AVDD- und negative NAVDD-Versorgungen sowie VGON- und VGOFF-Gate-Versorgungen. Der MAX25222C enthält einen VCOM-Buffer mit einem Ausgangsspannungsbereich über und unter der Masse und einen Temperaturmessblock. Das Netzteil von Analog Device enthält einen nichtflüchtigen Speicher, so dass die Werte aller Ausgänge für die Lebensdauer des Bauteils (maximal fünf Mal) kalibriert werden können. Die integrierte L2C-Schnittstelle auf dem MAX25222C ermöglicht die Programmierung und das Auslesen der Diagnosedaten und nach der Programmierung ist ein eigenständiger Modus verfügbar.Das MAX25222C enthält umfassende Diagnosefunktionen zur Unterstützung der Erfüllung der Anforderungen der ASIL-B-Sicherheitsstufe. Die Temperatur wird vom Temperatursensor-Schnittstellenblock optional gemessen, wodurch die VCOM-Ausgangsspannung je nach gemessener Temperatur angepasst werden kann. Der MAX25222C ist in einem kompakten TQFN-Gehäuse verfügbar und wird über einen Temperaturbereich von -40 °C bis +125 °C betrieben.
Merkmale
- Hohe Integration
- Synchroner Boost bietet eine AVDD von 4,2 V bis 10,5 V bei bis zu 200 mA
- NAVDD-Wechselrichterausgang bei bis zu -200 mA
- 15 mA VGON-Ausgang (7,6 V bis 20,2 V) von dreifach geregelter Ladungspumpe
- VGOFF (-18,2 V bis -5,6 V) von geregelter Ladungspumpe bei bis zu -15 mA (Ladungspumpen-Verdoppler)
- Kontrollierte Sequenzierung während des Ein- und Ausschaltens aller Schienen
- VCOM-Ausgangsbereich von +1 V bis -2,49 V in 6,83-mV-Schritten
- NTC-Eingang für Temperaturmessung/Kompensation
- Niedrige EMI
- Schaltfrequenz mit Frequenzspreizung: 420 kHz/2,1 MHz
- I2C-Steuerungs-/Diagnoseschnittstelle mit FLTB-Ausgang (Interrupt)
- UV-Diagnosefunktionen an allen Ausgängen
- OV-Diagnosefunktionen an allen Ausgängen
- Bandlückenreferenz außerhalb des Bereichs
- Geklemmter FLTB-Pin
- Kommunikations-Paritätsprüfung
- VCOM-DAC-Fehler
- Vielseitig
- Nichtflüchtige Ausgangsspannungseinstellungen auf AVDD/ NAVDD, VGON> VGOFF. VCOM und Sequenzierung
- Unterstützt einen eigenständigen Betriebsmodus nach der Programmierung
- Kompaktes TQFN32-Gehäuse von 5 mm x 5 mm
- AEC-Q100 Klasse 1
Applikationen
- Infotainment-Displays
- Zentrale Informationsdisplays
- Kombiinstrumente
Blockdiagramm
Veröffentlichungsdatum: 2021-11-05
| Aktualisiert: 2023-04-17
