Analog Devices / Maxim Integrated MAX22200 Solenoid- und Motortreiber
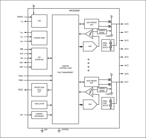
Der Analog Devices Inc. MAX22200 Solenoid- und Motortreiber ist ein seriell gesteuerter oktaler 36-V-Solenoid-Treiber. Der ADI MAX2220 verfügt über jeden Kanal mit einer Push-Pull-Ausgangsstufe mit niedriger Impedanz (200 mΩ, typisch). Das Bauteil verfügt über eine Senken- und Quellen-Ansteuerungsfunktion mit einem Antriebsstrom von bis zu 1 ARMS. Die serielle Schnittstelle (SPI) unterstützt Verkettungskonfigurationen, die zur individuellen Steuerung der einzelnen Kanäle bereitgestellt werden. Die Bauteil-Halbbrücken sind als Low-Side- oder High-Side-Treiber konfiguriert. Darüber hinaus können Halbbrücken-Paare parallelgeschaltet werden, um den Antriebsstrom zu verdoppeln oder als Vollbrücken zum Antrieb von bis zu vier verriegelten Ventilen (bistabile Ventile) oder vier DC-Bürstenmotoren konfiguriert werden.Merkmale
- Acht Halbbrücken von bis zu +36 V
- Hohe Leistung
- Niedriger ON-Widerstand: RDS (on) von 200 mΩ (TA = +25 °C) (typisch)
- Dauerausgangsstrom von bis zu 1 ARMS pro Halbbrücke (TA = +25 °C)
- Stromantriebsregelung (CDR)
- Spannungsantriebsregelung (VDR)
- Integrierte verlustfreie Strommessung (ICS)
- Hohe Flexibilität
- Unabhängige programmierbare HIT- und HOLD-Ströme für jeden Kanal (IHIT, IHOLD)
- Unabhängiges programmierbares HIT-Stromtiming für jeden Kanal (tHIT)
- Unterstützung für Vollbrücken-Konfiguration
- Unterstützung für parallelgeschalteten Modus
- Serielle Hochgeschwindigkeits-Schnittstelle (SPI)
- Verkettungskonfiguration von 5 MHz
- 10 MHz ohne Verkettung
- Schutz und Diagnose
- Überstromschutz (OCP)
- Erkennung von offener Last (OL)
- Erkennung der Kobelbewegung (DPM)
- Unterspannungssperre (UVLO)
- HIT-Strom nicht erreicht (HHF)
- Thermische Abschaltung T = +145 °C (TSD)
- Fehlerregister für Diagnosezwecke
- Integration:
- TQFN-32-Gehäuse, 5 x 5 mm
Applikationen
- Relais-Treiber
- Solenoid, Ventile, elektromagnetische Treiber
- Generische Low-Side- und High-Side-Schalterapplikationen
- Verriegelte (bistabil) Solenoid-Ventiltreiber
- DC-Bürstenmotortreiber
Blockdiagramm
Videos
Veröffentlichungsdatum: 2021-05-04
| Aktualisiert: 2023-04-13
