Analog Devices / Maxim Integrated MAX17703 Ladegerät-Regler für Li-Ionen-Akkus
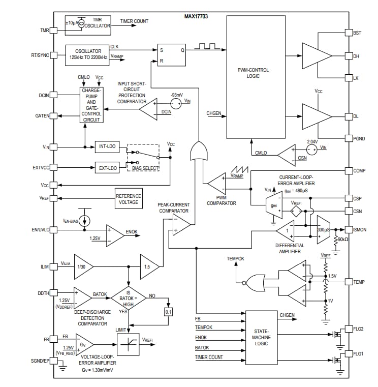
Der Analog Devices MAX17703 Ladegerät-Abwärtsregler ist ein synchroner Hochspannungs-Himalaya-Ladegerät-Abwärtsregler für Li-Ionen-Akkus mit hohem Wirkungsgrad, der für den Betrieb über einen Eingangsspannungsbereich von 4,5 V bis 60 V ausgelegt ist.Der MAX17703 Regler wird über einen großen Temperaturbereich von -40 °C bis +125 °C betrieben und bietet eine vollständige Ladelösung für Li-Ionen-Akkus mit einem genauen Konstantstrom von ±4 %. Die Ausgangsspannung ist von 1,25 V bis zu (VDCIN bis 2,1 V) mit einer Regelungsgenauigkeit von ±1 % programmierbar.
Der MAX17703 Ladegerät-Regler für Li-Ionen-Akkus von Analog Devices verwendet einen externen nMOSFET, um eine versorgungsseitige Kurzschluss-Sicherung zu bieten und eine Batterieentladung zu verhindern. Das Bauteil lädt den Akku in Konstantstrom(CC)- und Konstantspannungs(CV)-Zuständen auf und endet nach Ablauf des Taper-Timers in einem Nachladezustand.
Der MAX17703 wird in einem 24-Pin-TQFN-Gehäuse von 4 mm x 4 mm mit einem freiliegenden Pad angeboten.
Merkmale
- Optimierter Funktionssatz für Li-Ionen-Akkus, einschließlich Li-Polymer, LiFePO4 und Li-Titanat
- Regelungsgenauigkeit des Ladestroms von ±4 %
- Genauigkeit der Ladestromüberwachung (ISMON) von ±6 %
- Spannungsregelungsgenauigkeit von ±1 %
- Programmierbarer Konstantstrommodus(CC)-Ladestrom (ILIM)
- Ladeabbruch bei Erkennung eines vollen Akkus mit Schwellenwert des Taper-Current und Taper-Timer
- Großer Eingangsspannungsbereich von 4,5 V bis 60 V
- Einstellbarer Ausgangsspannungsbereich von 1,25 V bis zu (VDCIN bis 2,1 V)
- Einstellbare Frequenz von 125 kHz bis 2,2 MHz mit externer Taktsynchronisierung (RT/SYNC)
- Zuverlässiger Betrieb unter rauen Umgebungsbedingungen
- Eingangs-Kurzschluss-Sicherung (GATEN)
- Sicherheits-Timer-Funktion (TMR)
- Erkennung eines tiefentladenen Akkus und Vorkonditionierung (DDTH)
- Temperaturmessung und Laden des Akkus, wenn er sich innerhalb des Temperaturbereichs (TEMP) befindet
- Zyklus-für-Zyklus-Überstrombegrenzung
- Programmierbarer EN-/UVLO-Schwellenwert
- Statusausgangsüberwachung über Open-Drain-Ausgänge (FLG1 und FLG2)
- Übertemperaturschutz
- Konform mit CISPR 32 (EN55032) Klasse B leitungsgebundene und abgestrahlte Emissionen
- Großer Umgebungsbetriebstemperaturbereich von -40 °C bis +125 °C/Sperrschichttemperaturbereich von -40 °C bis +150 °C
Applikationen
- Industrie-Akkuladesysteme und Industrie-Energiespeicherung
- Elektrowerkzeuge und Handbediengeräte
- Notstromversorgung mit Akkus für Beleuchtung, Sicherheitskameras und Steuertafeln
- Tragbare Industrie- und Medizintechnik
- Notstromversorgung von Gebäude- und Heimautomatisierung
Videos
Vereinfachte Applikations-Schaltung
Funktionales Blockdiagramm
