Analog Devices / Maxim Integrated MAX17612CEVKIT Evaluierungskit

Das Maxim MAX17612CEVKIT Evaluierungskit ist eine Plattform zur Evaluierung des Betriebsverhaltens des MAX17612C 4,5V- bis 60V-Strombegrenzers mit Sperrschutz in einem 10-Pin-TDFN-EP-Gehäuse. Das MAX17612CEVKIT verfügt über eine TVS-Diode über den gesamten Eingang, eine Schottky-Diode über die Ausgangsanschlüsse und ein bewährtes PCB-Layout. Das Bauteil ist zur Demonstration der verschiedenen Strombegrenzungstypen und verschiedenen Strombegrenzungs-Schwellenwerte für den MAX17612C ausgelegt.

Merkmale

  • 4,5 V bis 60 V Betriebsspannungsbereich
  • Verfügt über eine TVS-Diode über den gesamten Eingang und eine Schottky-Diode über die Ausgangsanschlüsse
  • Evaluiert drei Strombegrenzungstypen und den Strombegrenzungs-Schwellenwert
  • Interne UVLO auf 4,2 V eingestellt
  • Über Steckbrücken konfigurierbare Strombegrenzung (standardmäßig als 250 mA ausgewählt)
  • Strombegrenzungsmodus standardmäßig auf automatischen Wiederholversuch eingestellt
  • Bewährtes PCB-Layout
  • Vollständig bestückt und getestet

Applikationen

  • Zustandsüberwachung
  • Fabriksensoren
  • Industrielle Applikationen wie PLC, Netzwerk-Steuermodule, batteriebetriebene Module
  • Prozess-Messgeräte
  • Sensorsysteme
  • Wiege- und Dosiersysteme

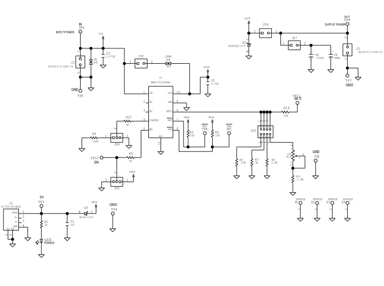
Schaltplan

Schaltplan - Analog Devices / Maxim Integrated MAX17612CEVKIT Evaluierungskit
Veröffentlichungsdatum: 2018-10-26 | Aktualisiert: 2023-04-24