Analog Devices Inc. MAX15005DAUE/V+ PWM-Regler

Die MAX15005DAUE/V+ PWM-Regler  von Analog Devices Inc. arbeiten mit einem Automotive-Eingangsspannungsbereich von 4,5 V bis 40 V (Lastabwurf).  Die Eingangsspannung kann nach dem Einschalten niedriger als 4,5 V sein, wenn der IN auf eine verstärkte Ausgangsspannung gebootstrapped ist.  Die Regler integrieren die Bausteine, die für die Implementierung von isolierten/nicht-isolierten Festfrequenz-Netzteilen erforderlich sind. Die Universal-Aufwärts-, Sperr-, Durchfluss- und SEPIC-Wandler sind auf den MAX15004/MAX15005 ausgerichtet.

Merkmale

  • Großer Versorgungsspannungsbereich von 4,5 V bis 40 V, der die Betriebsanforderungen der Automotive-Stromversorgung, einschließlich Kaltstart-Bedingungen erfüllt (kann nach dem Start mit einer niedrigeren Spannung betrieben werden, wenn Eingang zu einem verstärkten Ausganggebootstrapped wird)
  • Die Steuerarchitektur bietet eine hervorragende Leistung bei gleichzeitiger Vereinfachung des Designs
    • Strommodussteuerung
    • Genaue Strombegrenzung für Schwellenspannung: 300 mV, 5 %
    • Programmierbarer Neigungsausgleich
    • 50 % (MAX15004) oder einstellbares (MAX15005) maximales Tastverhältnis
  • TSSOP-16-Gehäuse
  • Genaue, einstellbare Schaltfrequenz und Synchronisierung vermeiden Störung von empfindlichen Funkbändern
    • Schaltfrequenz einstellbar von 15 kHz bis 500kHz (1 MHz für MAX15005A/B/C/D)
    • RC-programmierbare Schaltfrequenz mit einer Genauigkeit von 4 %
    • Externe Frequenzsynchronisierung
  • Integrierter Schutzfähigkeit für eine verbesserte Systemzuverlässigkeit
    • Strombegrenzungsschutz (Cycle-by-Cycle und Hiccup)
    • Schutz vor Überspannung und thermischer Abschaltung
    • -40 °C bis +125 °C Automotive-Temperaturbereich
    • AEC-Q100-qualifiziert

Applikationen

  • Automobil-Applikationen
  • Netzteile für Vakuum-Fluoreszenz-Bildschirme (VFDs)
  • Isolierte Sperr-, Durchflusswandler, nicht-isolierte SEPIC-, Aufwärtswandler

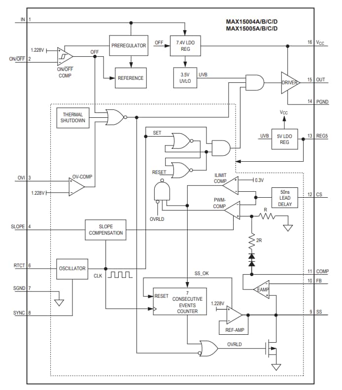
Blockdiagramm

Blockdiagramm - Analog Devices Inc. MAX15005DAUE/V+ PWM-Regler

Applikationsschaltschema

Applikations-Schaltungsdiagramm - Analog Devices Inc. MAX15005DAUE/V+ PWM-Regler
Veröffentlichungsdatum: 2020-08-06 | Aktualisiert: 2024-06-13