Analog Devices Inc. EVAL-CN0561-ARDZ Datenerfassungssystem (DAQ)
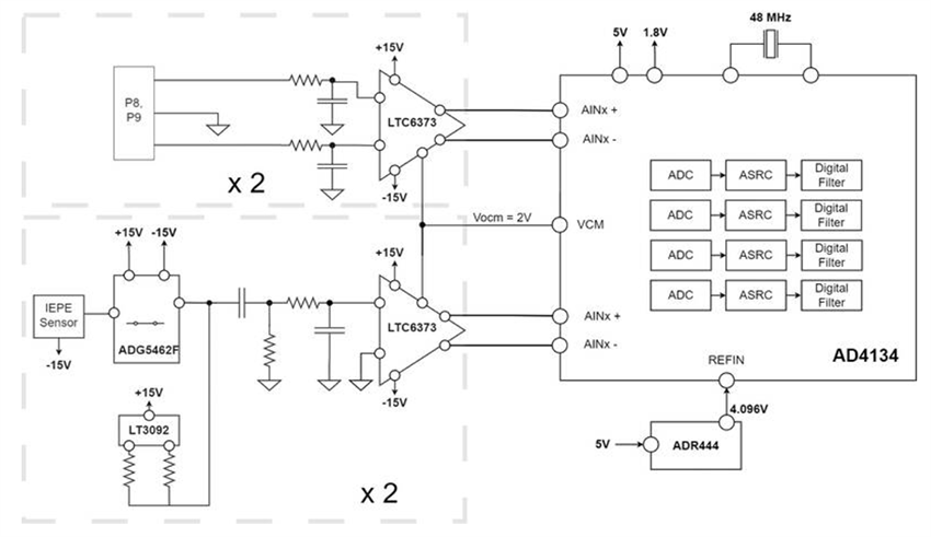
Das EVAL-CN0561-ARDZ Datenerfassungssystem (DAQ) von Analog Devices ist ein leistungsstarkes, aliasfreies 24-Bit-Vierkanalsystem, das für die Schnittstelle mit IEPE -Sensoren (Integrated Elektronik Piezoelectric) entwickelt wurde. Dieses System basiert auf dem Präzisions-ADC AD4134 und bietet eine große Bandbreite und einen hohen Dynamikbereich ideal für Applikationen zur Vibration und zustandsbasierten Überwachung. Das EVAL-CN0561-ARDZ von Analog Devices unterstützt AC-gekoppelte Messungen von DC bis 390 kHz und ermöglicht Erkennung eine detaillierte Frequenzbereichs-Analyse zur Defekt und vorausschauenden Wartung. Die Karte integriert Schlüssel-Elemente wie LTC6373 programmierbare Gain-Verstärker und ADR444 Spannungsreferenz und umfasst eine robuste Defekt Schutz Schaltung. Dank der Kompatibilität mit Arduino- und FMC-Anschlüssen ist der EVAL-CN0561-ARDZ vielseitig für die Integration in verschiedene Entwicklungsplattformen geeignet, einschließlich FPGA-basierte Systeme.Merkmale
- Alias-freie quad channel datenerfassung
- Aliasfreie Dual-IEPE-kompatible Vibrations-Sensorschnittstelle
- Kanalunabhängige Erregungsquelle und Sensorvorspannung
- Analoger Überspannungs- und Unterspannungsschutz (OVP und UVP)
- Sensor-Frequenzgang von DC bis 390 kHz
- Synchronisierte Datenmessung und -erfassung über die gesamte Bandbreite
- Datenerfassungslösung vollständig charakterisiert für Temperaturen von -40 °C bis +85 °C
- Durchsatz von bis zu 1496 kS/s
- Aliasfreie und resistive Eingangssignale, kein Tiefpassfilter oder Treiber erforderlich
- Stromversorgung und Kommunikation erfolgen direkt über ein mit Arduino kompatibles Development Board
Applikationen
- Industrieautomatisierung und Steuerungssysteme
- Stromnetz- und Energieüberwachung
- Medizinische Instrumente
- Vibrations- und Akustikanalyse
- Wissenschaftliche Forschung und Laborinstrumentierung
- Embedded System-Prototyping und -Evaluierung
Erforderliche Ausrüstung
- NUCLEO-H563ZI-Board
- IIO-Oszilloskop-Software
- USB Typ-C® -zu-USB-Kabel
- Präzisions-AC-Stromquelle
Ressourcen
Schaltschema Signalkettenschema
Hardwareverbindung
Veröffentlichungsdatum: 2025-07-31
| Aktualisiert: 2025-08-06
