Analog Devices Inc. EVAL-AD5770RSDZ Evaluierungsboard

Das EVAL-AD5770RSDZ Evaluierungsboard von Analog Devices Inc. ist zur Evaluierung des AD5770R Sechskanal-14-Bit-Digital-Analog-Wandlers (DAC) mit Stromausgang ausgelegt. Das EVAL-AD5770RSDZ ist ein vollständig bestücktes Evaluierungsboard, gesteuert von dem On-Board-P11-Steckverbinder und dem EVAL-SDP-CP1Z (P10-Steckverbinder). Die SDP-B System-Development Board verwendet die AD5770R Evaluierungssoftware zur Steuerung des EVAL-AD5770RSDZ Evaluierungsboards über einen Windows® PC-USB-Anschluss.

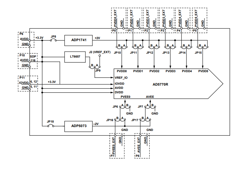
Das EVAL-AD5770RSDZ Board implementiert eine Leistungslösung, die den ADP5073 Schaltregler zur Erzeugung von -2 V von einer -2-V-Versorgung von und den ADP1741 Linearregler zur Erzeugung von +2 V von einer +3,3-V-Versorgung verwendet. Alternativ verwendet der AD5770R auch eine lineare Stromversorgung, die über neun On-Board-Steckverbinder (P0 bis P8) verbunden werden kann. Der AD5770R enthält eine interne 1,25-V-Präzisionsreferenz. Das EVAL-AD5770RSDZ Board enthält eine zusätzliche Spannungsreferenz von 1,25 V, 0,5 ppm/°C.

Die AD5770R Evaluierungssoftware ermöglicht eine intuitive grafischer Benutzeroberfläche (GUI), die den AD5770R über die serielle Peripherieschnittstelle (SPI) konfiguriert und steuert.

Merkmale

  • Vollständig bestücktes Evaluierungsboard für den AD5770R
  • PC-Software für die Steuerung
  • PC-Steuerung in Verbindung mit der EVAL-SDP-CB1Z Systemdemonstrationsplattform (SDP) von Analog Devices® Inc.

Lieferumfang Kit

  • EVAL-AD5770RSDZ Evaluierungsboard
  • USB-Kabel

Erforderliche Ausrüstung

  • EVAL-SDP-CB1Z (SDP-B) Board, Board muss separat erworben werden
  • PC mit Windows 7 oder Windows 10

Blockdiagramm

Blockdiagramm - Analog Devices Inc. EVAL-AD5770RSDZ Evaluierungsboard
Veröffentlichungsdatum: 2019-09-30 | Aktualisiert: 2024-03-11