Analog Devices Inc. LTM4655 Demonstrationsschaltung DC2594A

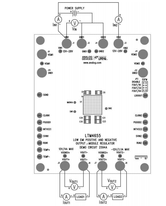
Die LTM4655 Demonstrationsschaltung DC2594A von Analog Devices Inc. bietet eine einfache Methode zur Messung und Evaluierung der LTM4655 Dual-/Einzel-invertierenden μModule®-Regler. Der LTM4655 ist ein EN55022B-konformer 40-V-, dualer 4-A- oder einzelner 8-A-Abwärts- oder invertierender DC/DC-50-W-μModule-Regler.

Die LTM4655 Demonstrationsschaltung DC2594A von ADI verfügt über eine eingestellte Schaltfrequenz von beiden Kanälen bei 1,2 MHz. Nehmen wir an, dass die Ausgangsspannung aufgrund einer Überlast oder eines Kurzschlusszustands zusammenbricht. In diesem Fall faltet der interne Oszillator auf ein Fünftel der programmierten Schaltfrequenz des LTM4655 zurück und schützt den Leistungsschalter vor Schäden.

Merkmale

  • SSFM-Steckbrücke für Frequenzspreizungsoptionen
  • CLKIN-Eingänge für externe Synchronisierung
  • PGOOD-Signale für jeden Ausgang

Übersicht

Analog Devices Inc. LTM4655 Demonstrationsschaltung DC2594A

Korrekte Einrichtung der Ausrüstung

Schaltungsanordnung - Analog Devices Inc. LTM4655 Demonstrationsschaltung DC2594A
Veröffentlichungsdatum: 2021-08-13 | Aktualisiert: 2022-03-11