Advantech SKY-MXM NVIDIA® Quadro® Module
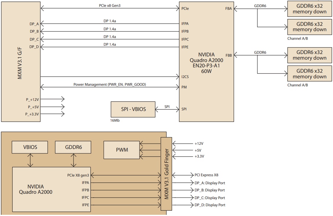
Die SKY-MXM NVIDIA ® Quadro ® Module von Advantech sind mit T1000, RTX3000 oder A2000 Grafikkarten mit MXM 3.1 ausgestattet. Die Module haben bis zu 2560 CUDA-Kerne und 8,25 TFLOPS. Der SKY-MXM GDDR6 hat bis zu 4 GB Speicher, 128-bit, Bandbreite und 224 GB/s. Die Geräte haben bis zu 4 x DisplayPort 1.4a Ausgänge.Merkmale
- SKY-MXM-T1000
- NVIDIA® Quadro® T1000 mit MXM 3.1 TYP A Formfaktor (82 mm x 70 mm)
- Bis zu 896 CUDA-Kerne, 2,6 TFLOPS
- GDDR6 4 GB, Speicher 128-bit, Bandbreite 192 GB/s
- Bis zu 4 x DisplayPort 1.4a Ausgänge
- Langer Lebenszyklus, unterstützt 5 Jahre Verfügbarkeit
- SKY-MXM-RTX3000
- NVIDIA® Quadro® RTX3000 mit MXM 3.1 TYP B Formfaktor (82 mm x 105 mm)
- Bis zu 1920 CUDA-Kerne, 30 RT-Kerne und 240 Tensor-Kerne, 5,3 TFLOPS
- GDDR6 6 GB, Speicher 192-bit, Bandbreite, 336 GB/s
- Bis zu 4 x DisplayPort 1.4a Ausgänge
- Langer Lebenszyklus, unterstützt 5 Jahre Verfügbarkeit
- SKY-MXM-A2000
- NVIDIA® Quadro® A2000 mit MXM 3.1 TYP A Formfaktor (82 mm x 70 mm)
- Bis zu 2560 CUDA-Kerne, 20 RT-Kerne und 80 Tensor-Kerne, 8,25 TFLOPS
- GDDR6 4 GB, Speicher 128-bit, Bandbreite 224 GB/2
- Bis zu 4 x DisplayPort 1.4a Ausgänge
- Langer Lebenszyklus, unterstützt 5 Jahre Verfügbarkeit
Videos
Veröffentlichungsdatum: 2022-06-13
| Aktualisiert: 2023-05-02
